We use cookies to provide you with personalized services and improve our website. More info
Ok

WebMag IEN Europe December 2025Issue #194 - 10/12/2025

IEN Europe presents Industry News, Products and Solutions for industrial decision makers in the pan-European B2B market.

#2  Table of Content

#3  Industry News: LAPP | SPS 2025

#4  Industry News: Sensirion | GN & mikrodust

#5  Industry News: Phoenix Contact | Linde Material Handling

#6  Fandis (Advertisement)

#7  On the Way to Becoming Energy Self-Sufficient

#8  Automation: ifm | Inovance

#9  Automation: Pepperl+Fuchs | Kontron | Phoenix Contact

#10  Automation: JUMO | TURCK

#11  Electronics & Electricity: Delta Electronics | TKD Kabel

#12  Electronics & Electricity: Panasonic | Schurter | Sensata

#13  Electronics & Electricity: Display Visions | IDS

#14  Motors & Drives: igus | Elmo Motion

#15  Motors & Drives: AMK Motion | Kollmorgen

#16  Energy Efficient Industry: Exclusive Interview Georg Stawowy

#17  Energy Efficient Industry: VPInstruments | AERZEN

#18  Energy Efficiency Industry: Smart Cooling Control Cuts Consumption of Energy

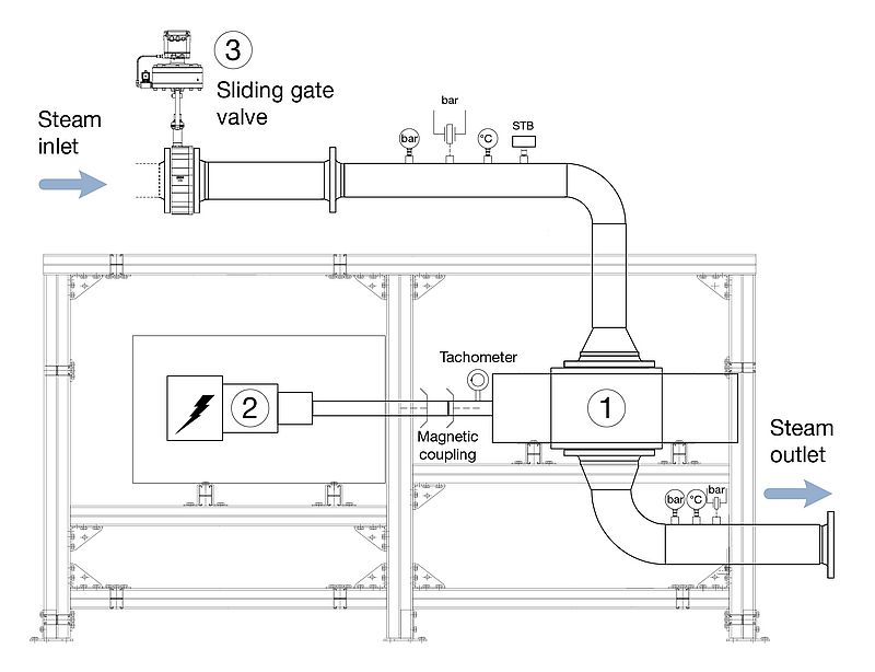
#19  Energy Efficient Industry: Sliding Gate Valves Help to Reduce Operating Costs and CO₂ Emissions

#20  Index

#21  TIM Global Media Contacts

Allianz Industrie 4.0 Award 2025 for eKanban solution

The Al­li­anz In­dustry 4.0 Award is a prize that re­cog­nises com­pan­ies that demon­strate out­stand­ing achieve­ments in the di­git­al trans­form­a­tion of in­dustry. The pres­ti­gi­ous award fo­cuses on pro­mot­ing in­nov­a­tion and pro­gress in the di­git­al­isa­tion and auto­ma­tion of in­dus­tri­al man­u­fac­tur­ing, with a fo­cus on in­tel­li­gent tech­no­lo­gies and trans­form­at­ive busi­ness mod­els.

Domin­ik Schmalzried, de­veloper of LAPP eKan­ban states: “I am de­lighted that our solu­tion has not only im­pressed our cus­tom­ers, but also the high-rank­ing jury of the In­dustry 4.0 Award. Our eKan­ban solu­tion ad­dresses a prob­lem that seems simple at first glance, but re­quires an in­tel­li­gent solu­tion to en­sure a smooth pro­cess.” 

Dr Nicole Hoffmeister-Kraut, Min­is­ter of Eco­nom­ic Af­fairs for Baden-Württemberg, presen­ted the award and em­phas­ised: “This year, it is very clear that it is not only the large and well-known play­ers who are achiev­ing out­stand­ing suc­cess with cross-di­vi­sion­al di­git­al­isa­tion solu­tions. Small and me­di­um-sized en­ter­prises are also steer­ing a course for suc­cess with just as much in­nov­at­ive strength and agil­ity. These “hid­den cham­pi­ons” and the glob­al play­ers are the pil­lars of our eco­nomy.” 

In­tel­li­gent cable in­vent­ory man­age­ment

In dis­cus­sions with nu­mer­ous cus­tom­ers, LAPP re­cog­nised that there is of­ten a lack of over­view of cable and con­nec­tion parts – for ex­ample, what stock is still avail­able, when the drums will be empty, and when ma­ter­i­al needs to be re­ordered. However, this in­form­a­tion is es­sen­tial for the man­u­fac­tur­ing in­dustry in par­tic­u­lar, so that pro­duc­tion does not come to a stand­still due to miss­ing com­pon­ents. This is where LAPP eKan­ban comes in. The sys­tem re­volu­tion­ises cable in­vent­ory man­age­ment through di­git­al trans­form­a­tion and IoT in­teg­ra­tion.

The cable drum is equipped with an in­er­tia sensor that re­cords the drum's ro­ta­tions – both for­wards and back­wards – and cal­cu­lates the length of cable re­moved. A dash­board then dis­plays the cable in­vent­ory via real-time mon­it­or­ing. If the quant­ity falls be­low a pre­defined min­im­um, the sys­tem can auto­mat­ic­ally trig­ger an or­der, tak­ing in­to ac­count con­sump­tion and de­liv­ery fore­casts. In use, the sys­tem achieves a de­vi­ation of ap­prox­im­ately +- 2 % in in­vent­ory. This vir­tu­ally elim­in­ates the prob­ab­il­ity of un­ex­pec­ted short­ages, act­ively pre­vent­ing pro­duc­tion stop­pages.

In­dustry 4.0 concept sup­port

"Com­pan­ies today are op­er­at­ing in highly com­pet­it­ive mar­kets and must there­fore fo­cus on max­im­um ef­fi­ciency. They also de­pend on max­im­um pro­cess re­li­ab­il­ity. Net­work­ing and auto­ma­tion of­fer great po­ten­tial here be­cause they re­duce in­ef­fi­cient manu­al – and there­fore er­ror-prone – pro­cesses. This cre­ates great­er trans­par­ency, which im­proves plan­ning," says Domin­ik Schmalzried about the eKan­ban sys­tem in con­nec­tion with the re­quire­ments of in­dustry. 
 

Highlights at the End of the Automation Year 2025

With around 56,000 trade vis­it­ors, the fair re­cor­ded sig­ni­fic­ant in­crease com­pared to the pre­vi­ous year – a clear sign of the rel­ev­ance of the event and the hun­ger for in­nov­a­tion in the com­munity, send­ing a clear and pos­it­ive sig­nal for the fu­ture de­vel­op­ment of the auto­ma­tion in­dustry.

The SPS is much more than just a space for product present­a­tions, as this year’s event made evid­ent once more. For three days, it offered an ideal set­ting for shar­ing ideas, ob­tain­ing prac­tic­al in­sights, and en­ga­ging dir­ectly with in­nov­at­ive tech­no­lo­gies. Vis­it­ors ex­per­i­enced how to com­bine the­ory and prac­tice in mean­ing­ful ways, in­clud­ing through clear live demon­stra­tions, in-depth spe­cial­ist present­a­tions, and per­son­al dis­cus­sions. 

"The SPS of­fers the auto­ma­tion in­dustry a plat­form not just for in­nov­a­tions, but es­pe­cially for dir­ect in­ter­ac­tion. Ex­perts came to­geth­er again this year to work on solu­tions, dis­cuss trends, and strengthen their net­works. As in years past, the expo cre­ated a frame­work in which the com­munity could con­tin­ue grow­ing on equal foot­ing with a fo­cus on real-world ap­plic­a­tions," Vice Pres­id­ent SPS Sylke Schulz-Met­zn­er offered in sum­mary after three days at the trade fair.

Ar­ti­fi­cial in­tel­li­gence a driv­ing force

A key top­ic at the SPS 2025 was the in­creas­ing in­teg­ra­tion of ar­ti­fi­cial in­tel­li­gence in­to in­dus­tri­al pro­cesses. Nu­mer­ous ex­hib­it­ors presen­ted spe­cif­ic ap­plic­a­tions, from AI-sup­por­ted qual­ity in­spec­tion and ad­apt­ive con­trol sys­tems to in­tel­li­gent main­ten­ance solu­tions based on real-time data. Vis­it­ors were able to ex­per­i­ence how AI can not only op­tim­ize in­di­vidu­al pro­cesses, but re­think en­tire pro­duc­tion sys­tems, as well. On site, it be­came clear how im­port­ant per­son­al in­ter­ac­tion will be in the fur­ther de­vel­op­ment of in­dus­tri­al AI

“AI is already an in­teg­ral part of many ap­plic­a­tions, and it’s also open­ing up count­less pos­sib­il­it­ies for the fu­ture. Today, we’re see­ing it used in all kinds of ap­plic­a­tions that have long since be­come nor­mal in every­day life. At the same time, AI presents tre­mend­ous po­ten­tial in new con­cepts that are cur­rently still in the proof-of-concept phase – it’s an ex­cit­ing glimpse of what’s com­ing” em­phas­izes Mar­cus Bliesze, Vice Pres­id­ent Mar­ket­ing for Auto­ma­tion, Siemens AG.

The 35th edi­tion of the trade fair will take place in Nurem­berg from 24 – 26 Novem­ber 2026.
 

Groundbreaking Ceremony for New Sensirion Production Building

The ex­ist­ing pro­duc­tion build­ing C on the com­pany’s headquarter at Laubisrütistrasse in Stäfa is at full ca­pa­city and can­not ac­com­mod­ate any ad­di­tion­al pro­duc­tion fa­cil­it­ies. To en­sure re­li­able and on-time de­liv­ery in the fu­ture, Sensiri­on is cre­at­ing the ca­pa­city it needs for fur­ther growth, tech­no­lo­gic­al de­vel­op­ment and great­er pro­duc­tion re­li­ab­il­ity with the new build­ing F. As a sys­tem­ic­ally im­port­ant sup­pli­er with long-term cus­tom­er con­tracts, Sensiri­on has an ob­lig­a­tion to guar­an­tee max­im­um se­cur­ity of sup­ply. Some key cus­tom­ers also re­quire a re­dund­ant pro­duc­tion site. 

The new pro­duc­tion build­ing will also re­quire the con­struc­tion of a new of­fice build­ing for work­sta­tions, as ad­di­tion­al en­gin­eers will be needed to handle the gradu­al ex­pan­sion of pro­duc­tion fa­cil­it­ated by the new build­ing. This is why the prop­erty at Mor­itzberg was pur­chased. It will provide the space for the high-tech core pro­cesses, in­clud­ing their de­vel­op­ment and pro­duc­tion, at the headquar­ters in Stäfa.

Sus­tain­able build­ing tech­no­logy

The new pro­duc­tion build­ing F will be in­teg­rated in­to the site map of all Sensiri­on build­ings at the Stäfa site. Cov­er­ing an area of 11,000 m², it will house, in ad­di­tion to high-tech clean­rooms, a lo­gist­ics area with de­liv­ery fa­cil­it­ies, tech­nic­al rooms and park­ing spaces on two un­der­ground levels. It is right by and con­nec­ted via walk­way to the main build­ing A at Laubisrütistrasse 50, which houses the re­cep­tion, of­fice and labor­at­ory spaces. 

The build­ing will meet the Min­er­gie P sus­tain­ab­il­ity stand­ard. The ma­ter­i­als used in the build­ing and its con­struc­tion will also com­ply with the DGNB (Ger­man Sus­tain­able Build­ing Coun­cil) Gold cer­ti­fic­a­tion stand­ard. The sur­round­ing area, in­clud­ing by the bus stop, will be up­graded with a tree-lined av­en­ue along Laubsrütistrasse and a foun­tain.

Glob­al suc­cess — loc­al roots

Sensiri­on de­vel­ops and man­u­fac­tures sensors and sensor solu­tions for the auto­mot­ive in­dustry, med­ic­al tech­no­logy and in­dus­tri­al ap­plic­a­tions. Today, for ex­ample, Sensiri­on sensors are in­stalled in one out of every three cars world­wide, and 10 mil­lion pa­tients rely on vent­il­at­ors from the sensor man­u­fac­turer—im­press­ive proof of the in­nov­at­ive strength and glob­al reach of the com­pany headquartered in Stäfa, on the right bank of Lake Zurich.
 

GN partners up with Mikrodust for their next Generation of Enterprise Test Systems

Mik­rodust and GN have de­veloped an en­hanced ver­sion of the AtoMik® test and meas­ure­ment plat­form. De­signed to meet the high stand­ards and needs of mass-pro­duc­tion of elec­tron­ics, it of­fers ex­ten­ded func­tion­al­ity. By in­cor­por­at­ing the core of the AtoMik® tech­no­logy in­to the GN soft­ware eco­sys­tem and ex­ist­ing mech­an­ic­al fix­ture kits, a sys­tem was cre­ated that re­duces test cycle times by over 80%, greatly im­prov­ing the num­ber of units pro­duced per hour while re­du­cing en­ergy con­sump­tion. The in­stru­ment­a­tion's small form factor has led to a 85% re­duc­tion in size and foot­print, sav­ing space in factor­ies, sim­pli­fy­ing lo­gist­ics and en­abling faster changeover times when set­ting up a new pro­duc­tion line. Us­ing the AtoMik® de­vel­op­ment kit in a labor­at­ory en­vir­on­ment will en­able faster time to mar­ket and the pos­sib­il­ity of veri­fy­ing pro­to­types at an early stage any­where. 

“Work­ing with Mik­rodust has en­abled us to push the bound­ar­ies of what’s pos­sible in test and meas­ure­ment. The en­hanced AtoMik® plat­form is a test­a­ment to how col­lab­or­a­tion drives in­nov­a­tion.” said Ole Happle Sørensen, Dir­ect­or of Glob­al In­dus­tri­al­iz­a­tion at GN.

“In­teg­rat­ing AtoMik® in­to GN’s pro­duc­tion en­vir­on­ment has al­lowed us to push the bound­ar­ies of test and meas­ure­ment. We’ve not only achieved sig­ni­fic­ant per­form­ance gains but also de­livered a solu­tion that re­duces en­ergy con­sump­tion and fact­ory foot­print, ad­van­cing both tech­no­logy and sus­tain­ab­il­ity,” said Ola Thernström, CTO at Mik­rodust.

About the Com­pan­ies:
Mik­rodust is a lead­ing in­nov­at­or in test and meas­ure­ment tech­no­lo­gies. The com­pany is ded­ic­ated to de­liv­er­ing scal­able, sus­tain­able and high-per­form­ance solu­tions for the elec­tron­ics man­u­fac­tur­ing in­dustry. With a strong fo­cus on mod­u­lar design and en­gin­eer­ing ex­cel­lence, Mik­rodust en­ables its cus­tom­ers to speed up de­vel­op­ment and pro­duc­tion while min­im­ising their en­vir­on­ment­al im­pact. 
GN has a his­tory span­ning more than 150 years and today of­fers a broad port­fo­lio of in­tel­li­gent hear­ing, au­dio, video and gam­ing solu­tions that en­hance hear­ing and sight. These products help people with hear­ing loss over­come real-life chal­lenges, im­prove com­mu­nic­a­tion and col­lab­or­a­tion in busi­ness, and provide great ex­per­i­ences for au­dio and gam­ing en­thu­si­asts. Foun­ded in 1869, the GN Group em­ploys over 7,000 people.
 

Phoenix Contact Aligns Its Structures to Bring Its Value Creation Closer to the Sales Markets

Ul­rich Lei­deck­er, Chief Op­er­at­ing Of­ficer/Spokes­man of the Group Ex­ec­ut­ive Board of Phoenix Con­tact, spoke about the on­go­ing eco­nom­ic ten­sions in Ger­many at this year's Phoenix Con­tact press con­fer­ence held at the SPS auto­ma­tion trade fair in Nurem­berg, Ger­many, from Novem­ber 25 to 27. “We are see­ing that com­pan­ies in Ger­many are hav­ing to ad­apt their struc­tures in or­der to re­main com­pet­it­ive. We at Phoenix Con­tact are also be­ing forced to ad­apt our cor­por­ate struc­tures to the cir­cum­stances in or­der to en­sure re­si­li­ence and value cre­ation. We are bring­ing our value cre­ation closer to the sales mar­kets and align­ing our struc­tures in­ter­na­tion­ally”, ex­plained Lei­deck­er. "There is no spir­it of op­tim­ism in in­dus­tri­al policy yet, and over-reg­u­la­tion is in­hib­it­ing in­nov­a­tion. Even on top­ics that have been dis­cussed for a long time, such as the Sup­ply Chain Ob­lig­a­tions Act and CSRD re­port­ing, there has been no no­tice­able al­le­vi­ation. This is ne­ces­sary to give the in­dustry the se­cur­ity to con­cen­trate on in­nov­a­tions again."

The mar­ket has de­veloped in ways that are sig­ni­fic­antly dif­fer­ent from those we ex­pec­ted in re­cent years due to the chan­ging frame­work con­di­tions. The cur­rent eco­nom­ic de­vel­op­ment in Ger­many is not a clas­sic eco­nom­ic crisis, but rather a fun­da­ment­al change in geo­pol­it­ic­al struc­tures. “We must learn to work to­geth­er more strongly in or­der to re­main com­pet­it­ive in­ter­na­tion­ally”, said Lei­deck­er, de­scrib­ing the situ­ation. “The frag­ment­a­tion of our in­dustry and the mul­ti­tude of in­di­vidu­al in­terests make it dif­fi­cult to set com­mon stand­ards and drive in­nov­a­tion”. As a pos­it­ive ex­ample to counter this he names the col­lab­or­a­tion with Festo and Yaskawa in the field of the de­vel­op­ment of PLCnext tech­no­logy.

Glob­al chal­lenges, such as tar­iffs and geo­pol­it­ic­al un­cer­tain­ties, are also in­flu­en­cing the de­cisions made by Phoenix Con­tact. “The polit­ic­al frame­work con­di­tions are volat­ile, and we as a com­pany must re­main flex­ible and ad­apt­able”, ex­plained Lei­deck­er. The com­pany is po­s­i­tion­ing it­self for the fu­ture, aim­ing to ac­com­mod­ate the glob­al growth that is be­ing wit­nessed in par­tic­u­lar in the core re­gions of China, In­dia, and the USA. As part of this, Phoenix Con­tact is fur­ther ex­pand­ing its loc­al value ad­ded chains in these coun­tries. 

In­ter­na­tion­al de­vel­op­ments 

De­vel­op­ments in China re­main pos­it­ive for Phoenix Con­tact. “We are known there as a ‘Chinese-Ger­man com­pany’ and we be­ne­fit from our long-stand­ing pres­ence and good repu­ta­tion”, said Lei­deck­er, de­scrib­ing the situ­ation. The mar­kets are also de­vel­op­ing stably in oth­er re­gions, in­clud­ing the USA and Mex­ico. The com­pany is re­ly­ing on a bal­anced in­ter­na­tion­al pres­ence in or­der to spread risks and seize op­por­tun­it­ies.

In­vest­ments    

Glob­al sup­ply chains de­pend on ca­pa­city, tech­no­logy, and speed. For this reas­on, Phoenix Con­tact is in­vest­ing in Mex­ico, in the Querétaro re­gion. This 20,000 square meter loc­a­tion, of which 10,000 square meters is for pro­duc­tion, will play a cent­ral role in the glob­al pro­duc­tion net­work in the fu­ture. The Querétaro re­gion is loc­ated in cent­ral Mex­ico between the cent­ral ports of Ver­ac­ruz and Man­zanillo, and is lo­gist­ic­ally well-con­nec­ted to the US.

Phoenix Con­tact opened a new loc­a­tion in Vi­et­nam at the be­gin­ning of Novem­ber. This is a stra­tegic mile­stone for Phoenix Con­tact in South­east Asia. The plant near Ho Chi Minh City com­bines pro­duc­tion and lo­gist­ics for the core busi­nesses of Power Re­li­ab­il­ity and Auto­ma­tion. This loc­a­tion, with around 100 em­ploy­ees and state-of-the-art man­u­fac­tur­ing pro­cesses, will serve re­gion­al and glob­al mar­kets. 

Phoenix Con­tact is also clearly com­mit­ted to Ger­many as a loc­a­tion, as demon­strated by its ex­ten­sion to the ex­ist­ing lo­gist­ics build­ing in Blomberg. This build­ing is sched­uled for com­ple­tion in 2028. The fully auto­mated lo­gist­ics build­ing will provide 200,000 m³ of ad­di­tion­al stor­age volume. At more than 100 mil­lion euros, this is the com­pany's largest single in­vest­ment. The de­cision for the lo­gist­ics build­ing is a fu­ture-ori­ented in­vest­ment. 

Eco­nom­ic situ­ation 

“This year, Phoenix Con­tact is ex­per­i­en­cing a mod­er­ate mar­ket re­cov­ery in the up­per single-di­git range. This is a pos­it­ive de­vel­op­ment com­pared to 2024. Nev­er­the­less, we have not yet re­covered the de­cline in sales wit­nessed in 2023. We will con­tin­ue to fo­cus on our core busi­ness as well as on the sus­tain­able align­ment of our struc­tures. Phoenix Con­tact is ex­pec­ted to close the fisc­al year 2025 with a turnover of 3.3 bil­lion euros. 

In­nov­a­tion and sus­tain­ab­il­ity

Des­pite all the chal­lenges, we are con­vinced that tech­no­logy is the key to a sus­tain­able fu­ture”, stated Lei­deck­er. There­fore, Phoenix Con­tact also fo­cused on in­nov­a­tion, co­oper­a­tion, di­git­al­iz­a­tion, ar­ti­fi­cial in­tel­li­gence, cy­ber­se­cur­ity, and en­ergy re­si­li­ence at this year’s trade fair ap­pear­ance. These top­ics are the levers for the fu­ture. Phoenix Con­tact also demon­strated prac­tic­al ap­plic­a­tions that of­fer real ad­ded value to its cus­tom­ers.

Sus­tain­ab­il­ity also re­mains a cent­ral is­sue for Phoenix Con­tact. The com­pany is work­ing in a tar­geted and con­tinu­ous man­ner to design its pro­cesses and products more sus­tain­ably, from de­vel­op­ment, through pro­duc­tion, right through to lo­gist­ics. “The cur­rent reg­u­lat­ory dens­ity makes it dif­fi­cult for com­pan­ies to im­ple­ment sus­tain­able solu­tions quickly and ef­fi­ciently. “That said, sus­tain­able busi­ness prac­tices and eco­nom­ic suc­cess are not mu­tu­ally ex­clus­ive”, stated Lei­deck­er.
 

A Glimpse Into the Future of Intralogistics

“There has nev­er been a bet­ter time to in­vest in the auto­ma­tion of ma­ter­i­al flow pro­cesses,” says Ul­rike Just, Ex­ec­ut­ive Vice Pres­id­ent Sales & Ser­vices Linde MH EMEA and the event’s host. “The sys­tems have be­come much easi­er to use and more cost-ef­fect­ive, while project plan­ning and im­ple­ment­a­tion times have been sig­ni­fic­antly re­duced. This fa­cil­it­ates get­ting star­ted with auto­ma­tion and gen­er­ates op­por­tun­it­ies for en­hanced com­pet­it­ive­ness. For com­pan­ies with ex­ist­ing ex­per­i­ence in auto­ma­tion, it also of­fers the op­por­tun­ity to act­ively par­ti­cip­ate in the de­vel­op­ment of new tech­no­lo­gies with Linde MH as a part­ner,” she ex­plains.

“Our teams provide com­pre­hens­ive sup­port to com­pan­ies every step of the way – from ini­tial con­sulta­tion to project plan­ning and im­ple­ment­a­tion, and even after com­mis­sion­ing dur­ing on­go­ing op­er­a­tions.”

A hol­ist­ic port­fo­lio ap­proach

Linde MH has re­designed key products in its port­fo­lio over the past two years. This in­cludes (coun­ter­bal­anced) pal­let stack­ers, reach truck and VNA truck mod­els, all of which have been up­graded to an in­dus­tri­al series stand­ard. In con­junc­tion with AM­Rs, shuttle solu­tions, sta­tion­ary auto­ma­tion, and rack­ing sys­tems, this provides a com­pre­hens­ive, mod­u­lar toolkit that can be used to plan and im­ple­ment a wide vari­ety of cus­tom­er projects with pin­point pre­ci­sion. At the same time, it is pos­sible to pro­duce tail­or-made products to meet spe­cif­ic cus­tom­er re­quire­ments.

New vehicle de­vel­op­ments are already un­der­way. A not­able high­light of the Linde Auto­ma­tion Sum­mit was the in­nov­at­ive Linde Ro­CaP, which marks a break­through in auto­mated or­der pick­ing in ware­houses. Rep­res­ent­at­ives from Linde MH and the drug­store chain ROSS­MANN in­tro­duced the vehicle to­geth­er. Based on the auto­mated pal­let stack­er Linde L-MAT­IC HD k, the vehicle ad­di­tion­ally fea­tures an in­tel­li­gent ro­bot­ic arm that is per­man­ently at­tached to the fork car­riage. It lifts pack­ages from the rack and places them on the load car­ri­er. Cus­tom­ized load-bear­ing equip­ment for use with roll con­tain­ers was de­veloped spe­cific­ally for ap­plic­a­tions at ROSS­MANN. Since the Linde Ro­CaP can work side by side with manu­ally op­er­ated in­dus­tri­al trucks, it is ideal for use in in­vent­ory ware­houses. At ROSS­MANN, it eases the work­load on ware­house em­ploy­ees, es­pe­cially when it comes to pick­ing heavy con­tain­ers. But what is shown in this project also is that chal­lenges some­times come from un­ex­pec­ted dir­ec­tions. While the Ro­CaP is able to choose the best box to pick from a pal­let and also to choose from dif­fer­ent grip­pers for a task it still needs hu­man as­sist­ance to handle and ex­tract the slip sheets on a pal­let di­vid­ing the dif­fer­ent product lay­ers. 

An­oth­er high­light of the event was a pre­view of the com­pany’s first auto­mated coun­ter­bal­anced fork­lift truck. The Linde E-MAT­IC, de­signed for out­door use, is sched­uled to be re­leased in 2027. The ro­bust vehicle of­fers a load ca­pa­city of 2.3 tons, side shift­ing cap­ab­il­it­ies, a lith­i­um-ion bat­tery, and ex­tens­ive nav­ig­a­tion and safety tech­no­lo­gies. It will ini­tially be used for ho­ri­zont­al trans­port between drop-off points on the ground or sta­tion­ary con­vey­or sys­tems. As early as 2026, pre-series projects will com­mence with a se­lect group of cus­tom­ers, whose ex­per­i­ences will con­trib­ute dir­ectly to fur­ther de­vel­op­ment and series ma­tur­ity. As the Linde E-MAT­IC pro­gresses through its de­vel­op­ment stages, it will be equipped to handle an ex­pan­ded range of tasks, in­clud­ing nav­ig­a­tion between in­door and out­door en­vir­on­ments, tra­vers­ing lar­ger in­clines, and man­aging the stor­age and re­triev­al of goods from racks or block ware­houses. Ad­di­tion­ally, it will be cap­able of per­form­ing lat­er­al load­ing and un­load­ing op­er­a­tions for trucks.

“With the in­tro­duc­tion of the first coun­ter­bal­anced fork­lift, we have suc­cess­fully auto­mated the core product of our Linde brand,” stated Ul­rike Just “Our ob­ject­ive is to be the first ma­jor in­dus­tri­al truck man­u­fac­turer to put the vehicle in­to series pro­duc­tion. This comes as a dir­ect re­sponse to the nu­mer­ous re­quests we have re­ceived from our cus­tom­ers, and it fur­ther so­lid­i­fies our claim to be the tech­no­logy lead­er in our in­dustry.”

AI as an auto­ma­tion ac­cel­er­at­or

Linde MH is ad­van­cing auto­ma­tion not only with re­gard to vehicle de­vel­op­ment. The com­pany also show­cased the next steps in im­ple­ment­ing phys­ic­al AI and di­git­al twins based on MEGA, the NVIDIA Om­ni­verse for in­dus­tri­al ap­plic­a­tions. This in­cluded the real-time in­teg­ra­tion of a di­git­al twin in the NVIDIA Om­ni­verse, which con­nects a com­pany's AGV fleet man­ager with a phys­ic­al AGV. Par­ti­cipants at the event could see on screen how every ac­tion of the AGV – nav­ig­a­tion, load hand­ling, etc. – is mirrored sim­ul­tan­eously in the Om­ni­verse en­vir­on­ment, en­abling real-time mon­it­or­ing, sim­u­la­tion and op­tim­iz­a­tion of lo­gist­ics pro­cesses.

In ad­di­tion, it is now pos­sible to gen­er­ate high-res­ol­u­tion 360° im­ages us­ing 3D laser scans, thereby cre­at­ing a di­git­al, three-di­men­sion­al map of fact­ory or ware­house lay­outs. Sim­il­ar to Google Street View (driv­ing through streets in a car), an op­er­at­or walks through the fa­cil­ity, wear­ing a shoulder-moun­ted frame equipped with high-speed LiD­AR scan­ners us­ing SLAM (Sim­ul­tan­eous Loc­al­iz­a­tion and Map­ping) tech­no­logy. The device pre­cisely cap­tures the en­vir­on­ment, cre­at­ing a three-di­men­sion­al im­age of real­ity. The en­tire pro­cess takes no longer than 40 to 60 minutes.

In NVIDIA Om­ni­verse, a di­git­al twin of the site is cre­ated with the help of the 3D scan. The 3D visu­al­iz­a­tion provides pre­cise meas­ure­ments, in­clud­ing dis­tances between shelves, dis­tances between two points, and the floor slope along des­ig­nated routes. This re­li­able basis for plan­ning elim­in­ates the need for fur­ther on-site vis­its. All project par­ti­cipants can then work to­geth­er on the modeled, real­ist­ic im­age and share in­form­a­tion, such as mark­ing crit­ic­al areas in the ware­house, adding com­ments, and not­ing sug­ges­ted solu­tions. In re­cent months, the port­able laser has already been used to cre­ate a dozen scans at vari­ous loc­a­tions throughout Europe. 

Soft­ware en­sures flex­ib­il­ity 

MAT­IC:move the Linde MK soft­ware suite, en­ables faster, cost-ef­fect­ive auto­ma­tion with in­tu­it­ive op­er­a­tion and visu­al work­flow design based on the low-code prin­ciple, cut­ting com­mis­sion­ing time from weeks to days. For com­plex needs, MAT­IC:move+ adds in­ter­faces, ad­vanced func­tions, and in­tel­li­gent traffic con­trol, en­sur­ing flex­ib­il­ity and scalab­il­ity from single vehicles to large mixed fleets. In­teg­ra­tion with third-party vehicles and sys­tems is pos­sible via Linde Ware­house Man­ager and the in­teg­rated VDA-5050 stand­ard, de­liv­er­ing trans­par­ency and full con­trol.

All Linde MH auto­ma­tion solu­tions pri­or­it­ize safety with re­dund­ant sys­tems, ad­vanced sensors, and fea­tures like side-moun­ted red warn­ing lights. This en­sures smooth in­ter­ac­tion between manu­al and auto­mated pro­cesses while main­tain­ing high through­put.
 

The ideal climate for your electrical panels
On the Way to Becoming Energy Self-Sufficient

The en­ergy trans­ition has mean­while ar­rived in in­dustry, al­beit with vary­ing de­grees of pres­sure for the dif­fer­ent sec­tors to take ac­tion. However, is­sues such as rising en­ergy prices and the ne­ces­sity of ori­ent­a­tion to­ward re­new­able en­er­gies are here to stay. Com­pan­ies who fail to face these chal­lenges and find an­swers and solu­tions in the short term risk noth­ing less than eco­nom­ic ru­in.

Sol­ar power yes, but only if it is in­tel­li­gent!

Many com­pan­ies have already de­cided to in­stall sys­tems that al­low them to cov­er at least part of their en­ergy de­mand self-suf­fi­ciently, for ex­ample with photo­vol­ta­ics. In prin­ciple, this is a good first step, but for the ex­perts at Green­flash, the PV in­stall­a­tion on the roof alone is in­ad­equate. “Without in­tel­li­gent con­trol and a com­pre­hens­ive concept, a simple PV in­stall­a­tion not only leaves huge po­ten­tial un­used, but also costs the own­er money,” ex­plains Len­nart Ok­litz, Project Man­ager at Green­flash. “That hap­pens on days when there is an over­sup­ply of elec­tri­city at cer­tain times. The feed­ing of self-gen­er­ated, ‘ex­cess’ power to the grid costs up to 1,000 euros or more in just one day.” More about this be­low.

For Giga Coat­ing GmbH and the vehicle man­u­fac­turer Sys­tem Trail­ers just next door – the two com­pan­ies are af­fil­i­ated, with headquar­ters in Twist, near the city of Mep­pen in the Ger­man Ems­land re­gion – the joint man­age­ment de­cided to use an in­tel­li­gent en­ergy sys­tem such as that de­veloped and im­ple­men­ted by Green­flash. Giga Coat­ing is the site of Europe’s most mod­ern sur­face coat­ing plant for cath­od­ic dip coat­ing and powder coat­ing, which is also util­ized for fully auto­mated coat­ing of large work­pieces for use in in­dustry. The high power con­sump­tion of the stov­ing ovens forced the com­pany to find al­tern­at­ives to fossil fuels.

En­ergy re­quire­ments at Sys­tem Trail­ers are like­wise high, in this case for the weld­ing ro­bots used for the timely pro­duc­tion of large quant­it­ies of trail­ers and semi-trail­ers in a wide vari­ety of ver­sions. In 2022, the two com­pan­ies con­tac­ted Green­flash with the re­quest to de­vel­op a sus­tain­able solu­tion for the power sup­ply.

Com­pre­hens­ive solu­tion with more than 2 MWp – and an in­nov­at­ive stor­age sys­tem

“There are sev­er­al reas­ons why Giga Coat­ing and Sys­tem Trail­ers are spe­cial cus­tom­ers for us,” ex­plains Len­nart Ok­litz. “For ex­ample, we com­bined the two con­nect­ing points for the power grid to cre­ate a single sys­tem. The PV sys­tems of both com­pan­ies were ini­tially in­stalled sep­ar­ately, with 390 kWp at Sys­tem Trail­ers and 749 kWp at Giga Coat­ing. They were like­wise com­bined in this pro­cess.” An­oth­er sim­ul­tan­eously in­stalled PV sys­tem with 1.2 MWp was cer­ti­fied and com­mis­sioned by Green­flash. Ok­litz con­tin­ues: “Since we are the gen­er­al con­tract­or for this project, we were able to set the course early on for a com­pre­hens­ive, in­tel­li­gent solu­tion, in­clud­ing con­nec­tion to the en­ergy ex­change. An­oth­er im­port­ant mile­stone was the seam­less in­teg­ra­tion of a power stor­age sys­tem for the sol­ar power gen­er­ated. This sys­tem was built by our part­ner STABL En­ergy, de­livered in a 20-foot con­tain­er in June 2025, and com­mis­sioned jointly.”

The spe­cial fea­ture of the STABL solu­tion is the mod­u­lar concept, as ex­plained by Nam Truong, CEO and co-founder of the com­pany with headquar­ters in Mu­nich and a branch in Ber­lin: “While the mar­ket for stor­age solu­tions gen­er­ally re­lies on long bat­tery chains and high-voltage bat­ter­ies, our ar­chi­tec­ture with bat­tery mod­ules provides for in­creased dur­ab­il­ity, re­li­ab­il­ity, and ef­fi­ciency. This even al­lows the use of re­cycled bat­ter­ies from elec­tric cars, with no com­prom­ises in per­form­ance and ser­vice life. This is an im­port­ant as­pect with a view to­ward re­source ef­fi­ciency and re­cyc­ling.”

Mod­u­lar concept with multi-level in­vert­er

The STABL bat­tery sys­tem for the two com­pan­ies in Ems­land com­prises a total of 288 second-chance bat­tery mod­ules. Ori­gin­ally in­ten­ded for in­stall­a­tion in elec­tric vehicles, they ended up on the shelf be­fore get­ting a second chance. The us­able stor­age ca­pa­city is 1,233 kWh, with an out­put of 405 kW. The pur­pose of the stor­age sys­tem is to smooth out peak loads and min­im­ize grid charges due to atyp­ic­al grid use. The mod­u­lar design al­lows fast and ver­sat­ile re­place­ment of single bat­tery mod­ules throughout the ser­vice life of the sys­tem.

Stor­age cap­ab­il­ity over­comes dis­ad­vant­ages

The com­mer­cial stor­age unit is very im­port­ant in that it of­fers in­de­pend­ence from the daily chan­ging dy­nam­ics of the elec­tri­city mar­ket. This elim­in­ates the ne­ces­sity of im­me­di­ately feed­ing un­needed elec­tri­city in­to the grid – with the afore­men­tioned costly con­sequence of a neg­at­ive elec­tri­city rate due to the sur­plus. Con­versely, a com­pany can pur­chase elec­tri­city at fa­vor­able times and keep it in the stor­age sys­tem un­til it is needed. Project man­ager Len­nart Ok­litz: “A com­pre­hens­ive sys­tem like the one we have im­ple­men­ted here at Giga Coat­ing and Sys­tem Trail­ers of­fers com­pan­ies so many more pos­sib­il­it­ies to re­duce their en­ergy costs than would be pos­sible with a simple PV sys­tem on the roof.”

But the stor­age sys­tem is not the fi­nal de­vel­op­ment in the en­ergy sys­tem at the af­fil­i­ated com­pan­ies in Twist: Giga Coat­ing and Sys­tem Trail­ers are mean­while part­ners for a pi­lot project at Green­flash that demon­strates the cap­ab­il­it­ies of the AI-based en­ergy man­age­ment sys­tem – Green­core AI – in prac­tice. “Simply put, Green­core AI con­trols an en­ergy sys­tem in such a way that the cus­tom­er al­ways gets the best elec­tri­city rate in the end,” says Len­nart Ok­litz. “As soon as it be­comes ap­par­ent that the elec­tri­city rate will be neg­at­ive, our AI-based soft­ware in­ter­venes to pre­vent elec­tri­city from flow­ing in­to the grid, thus elim­in­at­ing the as­so­ci­ated costs. We already have ex­amples from the field that have en­abled sav­ings in the five-fig­ure range thanks to Green­core AI.

Green­core AI un­locks the full po­ten­tial

But the sys­tem is cap­able of much more, and Green­flash provides its cus­tom­ers with soft­ware tools that al­low them to see in de­tail how the in­tel­li­gently con­trolled en­ergy sys­tem works. For ex­ample, how it re­sponds to peak loads, how it ac­cesses the stor­age, and what hap­pens in the case of atyp­ic­al grid use. “One re­cent ex­ample: Giga Coat­ing wanted to find out from the power util­ity wheth­er bet­ter rates would be pos­sible if they un­loaded their stored en­ergy from af­ter­noon to even­ing in or­der to lower their con­sump­tion,” says Ok­litz. “Our task was to im­ple­ment this re­quest in the sys­tem con­trol. In co­oper­a­tion with the power util­ity, which had to im­ple­ment sev­er­al con­ver­sions, we quickly achieved that goal with Green­core AI.”

The hand­ling of atyp­ic­al grid use is already fully in­teg­rated in Green­core AI, in­clud­ing the visu­al­iz­a­tion of mixed op­er­a­tion with the stor­age sys­tem. Nu­mer­ous ad­di­tion­al func­tions of the new soft­ware are still un­der de­vel­op­ment, some of which have already proven their po­ten­tial in the field with pi­lot cus­tom­ers like Giga Coat­ing and Sys­tem Trail­ers. For ex­ample, the learn­ing sys­tem re­li­ably pre­dicts con­sump­tion, and also dis­plays all rel­ev­ant data such as pro­duc­tion, con­sump­tion, de­liv­ery, and pro­cure­ment. “The fore­cast data for pro­duc­tion and con­sump­tion al­lows us to con­trol all pro­cesses so that the en­ergy costs for our cus­tom­ers are al­ways with­in the op­tim­um range,” sums up Len­nart Ok­litz.

Fur­ther ex­pan­sion planned

The two com­pan­ies in the Ems­land re­gion are already well on their way to a green­er power sup­ply. Giga Coat­ing and Sys­tem Trail­ers are plan­ning to in­stall fur­ther en­ergy stor­age sys­tems, to be­come even more self-suf­fi­cient, and to in­crease elec­tri­fic­a­tion, for ex­ample by us­ing high-tem­per­at­ure heat pumps. Len­nart Ok­litz is con­vinced that com­pan­ies with en­ergy-in­tens­ive pro­duc­tion pro­cesses can be­ne­fit tre­mend­ously from the trans­form­a­tion to re­new­able en­er­gies by us­ing an in­tel­li­gent, com­pre­hens­ive en­ergy sys­tem: “That it works and provides tan­gible be­ne­fits is ap­par­ent in the case of our pi­lot cus­tom­ers for Green­core AI in a way that some­times even sur­prises us. The po­ten­tial is enorm­ous.”
 

Unmanaged Industrial Ethernet Switches for Rugged Environments

HMS Net­works an­nounced the launch of the N-Tron NT110-FX2, an un­man­aged Eth­er­net switch with 2 fiber ports, the NT111-FX3, an un­man­aged Eth­er­net switch with 3 fiber ports, and the NT112- FX4, an un­man­aged Eth­er­net switch with 4 fiber ports, de­signed for in­dus­tri­al ap­plic­a­tions need­ing de­pend­able per­form­ance for mis­sion-crit­ic­al ap­plic­a­tions un­der harsh con­di­tions. The new NT100 un­man­aged series of­fers ex­cep­tion­al re­li­ab­il­ity and per­form­ance for data ac­quis­i­tion, Eth­er­net I/O and pro­cess con­trol. 

De­signed for harsh en­vir­on­ments

Com­pact in size with eight high per­form­ance cop­per ports (10/100BaseTX RJ45) and 2, 3 or 4 100BaseFX fiber ports, the switches are housed in rugged in­dus­tri­al met­al en­clos­ures. The new switches of­fer high shock and vi­bra­tion tol­er­ance. The RJ45 ports have built in ESD and surge pro­tec­tion. Fiber ports are avail­able with SC or ST con­nect­ors in mul­timode or single mode con­fig­ur­a­tions. Users be­ne­fit from an ex­cep­tion­al 1.2M hour MT­BF rat­ing, in slim, space-sav­ing designs that op­er­ate in tem­per­at­ures from -40°C to 85°C.

For ro­bust net­work sup­port, the NT110-FX2, NT111-FX3 and NT112-FX4 un­man­aged switches sup­port full wire speed com­mu­nic­a­tion. Each mod­el em­ploys store-and-for­ward tech­no­logy with sup­port for full and half du­plex op­er­a­tion. Two 10-49 VDC power in­puts are provided for re­dund­ancy. The new switches carry UL Or­din­ary and Haz­ard­ous loc­a­tions as well as ATEX and IECEx cer­ti­fic­a­tion in ad­di­tion to IEEE 802.3 com­pli­ance and mar­ine, rail­way and rolling stock cer­ti­fic­a­tions.

Easi­er data gath­er­ing

The N-Tron NT100 series from HMS Net­works makes crit­ic­al per­form­ance data easi­er to gath­er. Their rugged and hardened designs provide the dur­ab­il­ity and re­li­ab­il­ity needed to with­stand the ex­treme con­di­tions found on fact­ory floor con­trol net­works and in oil and gas, util­it­ies, wa­ter/wastewa­ter treat­ment, al­tern­at­ive en­ergy, rail, in­tel­li­gent traffic con­trol and trans­port­a­tion ap­plic­a­tions.
 

Motion Control Doubles Speed of Pick-and-Place Machines

UK pack­aging ma­chinery OEM Spir­al­tech has doubled the speed of its pick-and-place ma­chines from 70 to 140 pieces-per-minute us­ing servo drives, mo­tors, and PLCs from glob­al in­dus­tri­al auto­ma­tion com­pany In­ovance. With over 40 years of ex­per­i­ence Spir­al­tech of­fers pa­per con­vert­ing and card­board tube cut­ting ma­chinery for the pro­duc­tion of pa­per tubes, pa­per pro­files and com­pos­ite cans. The solu­tion was de­livered by CAPSS, a UK-based dis­trib­ut­or of in­dus­tri­al auto­ma­tion products. CAPSS’s high level of tech­nic­al sup­port and product avail­ab­il­ity meant the solu­tion was up and run­ning very quickly. Ad­di­tion­ally, the solu­tion has solved the la­bour short­age prob­lem faced by many of Spir­al­tech’s cus­tom­ers be­cause the need for manu­al pack­ing has been elim­in­ated.

Faster change-over for smal­ler batches

The ma­chines pick up tubes and put them in form­a­tion with a strap around them so they can be eas­ily loaded onto pal­lets. Stand­ard pneu­mat­ics couldn’t de­liv­er the re­quired speeds, which is why Spir­al­tech op­ted for a servo mo­tion solu­tion. The In­ovance products used in the ma­chines are: SV660N servo drives, MS1 servo mo­tors, AM600 mo­tion con­trol­lers, and GL10 and GL20 I/O mod­ules. Spir­al­tech dif­fer­en­ti­ates it­self through in­nov­at­ive ma­chine design, and its fo­cus is ma­chines that can be changed over two to three times per day to en­able small batch work. To achieve this, the ma­chines have double the num­ber of ser­vos com­pared to lead­ing com­pet­it­ors.

Com­pon­ent size and per­form­ance, as well as value and the abil­ity to work on IEC soft­ware stand­ards, were key con­sid­er­a­tions when se­lect­ing the In­ovance solu­tion. The new ma­chine speed of 140 tube­s­per-minute (de­pend­ing on tube size) means that the ma­chines are op­er­at­ing at double the speed of most lead­ing com­pet­it­or ma­chines. Mean­while, pre­vi­ously two to three people would be re­quired to pack at a rate of 140 pieces per minute, but the new ma­chines from Spir­al­tech elim­in­ate the need for manu­al pack­ing en­tirely.

Steven Bel­wood, Man­aging Dir­ect­or of Spir­al­tech, says: “The In­ovance kit is very high-spec and is suit­able for food grade ap­plic­a­tions. Coupled with good value, rap­id avail­ab­il­ity, and a com­pact size, go­ing with In­ovance was an ob­vi­ous choice for us. The la­bour-sav­ing ele­ment of our ma­chines is a crit­ic­al con­sid­er­a­tion for our cus­tom­ers as well, and it’s not about elim­in­at­ing jobs: the prob­lem is that our European and US cus­tom­ers find it very dif­fi­cult to find people will­ing to do pack­ing work. Fi­nally, I loved that CAPSS had the product avail­able im­me­di­ately and were al­ways on hand with qual­ity tech­nic­al sup­port.”

Paul Seale, Dir­ect­or of CAPSS, adds: “It’s been really ex­cit­ing to be in­volved with a project that has de­livered such ob­vi­ous ef­fi­ciency be­ne­fits. Tak­ing pick-and-place ma­chines from 70 to 140 pieces-per-minute is not something you see of­ten. We’re really keen to keep work­ing with Spir­al­tech in the fu­ture.”

3D-Stereo Sensor for Precise 3-D Measurement of Objects

The Pep­perl+Fuchs SmartRun­ner 3-D Ste­reo sensor based on ste­reo-vis­ion tech­no­logy re­cords 3-D in­form­a­tion of ob­jects with a single im­age and cal­cu­lates their volume, di­men­sions, ro­ta­tion, and po­s­i­tion dir­ectly in the sensor. The tech­no­logy en­ables pre­cise de­tec­tion in both stat­ic and dy­nam­ic ap­plic­a­tions up to 2.5 m/s. The three-di­men­sion­al meas­ure­ment of ob­jects with a res­ol­u­tion of 1.4 MP is pos­sible for vari­ous ob­ject shapes. In ad­di­tion, ob­ject meas­ure­ment can be per­formed re­gard­less of ob­ject col­or, ori­ent­a­tion, or speed, even if these change dur­ing the pro­cess. 

Dif­fer­ent de­tec­tion ranges avail­able

The in­teg­ra­tion of the al­gorithm in­to the sensor tech­no­logy elim­in­ates the cost and ef­fort of ex­tern­al im­age pro­cessing and a sep­ar­ate eval­u­ation unit. The sensor tech­no­logy is par­tic­u­larly suit­able for use in lo­gist­ics pro­cesses such as sort­ing par­cels by size, op­tim­ized pal­let­iz­ing of ob­jects by meas­ur­ing the di­men­sions, and ad­just­ing the ob­ject ori­ent­a­tion. De­pend­ing on the ap­plic­a­tion re­quire­ments, three sensor vari­ants with dif­fer­ent de­tec­tion ranges are avail­able, This means that the sensor tech­no­logy can be used flex­ibly and provides pre­cise in­form­a­tion on ob­jects. 

Compact Industrial PC for Smart Automation

Kon­tron in­tro­duces the AL Pi-Tron CM5, a power­ful, Linux-based in­dus­tri­al PC de­signed for DIN rail mount­ing. Based on the proven BL Pi-Tron CM5 single board com­puter with an in­teg­rated Com­pute Mod­ule 5 from Rasp­berry Pi, the device fea­tures a wide range of in­dus­tri­al-grade com­mu­nic­a­tion in­ter­faces and non-volat­ile memory (FRAM). Its ro­bust stain­less-steel hous­ing is de­signed for mount­ing on a 35 mm DIN rail, en­abling easy in­teg­ra­tion in­to ex­ist­ing con­trol sys­tems. In ad­di­tion to its com­pact design, the AL Pi-Tron CM5 of­fers a wide range of in­dus­tri­al-grade com­mu­nic­a­tion in­ter­faces. Eth­er­net, USB and seri­al in­ter­faces, in­clud­ing RS232, RS485, and CAN FD, are avail­able as stand­ard. Users can opt for WLAN and Bluetooth con­nectiv­ity to ad­apt to their spe­cif­ic needs.

No data loss without power 

A key fea­ture is the in­teg­rated FRAM memory, which re­tains stored data even when there is no power. FRAM en­ables writ­ing times of less than 100 ns and sup­ports up to 10¹⁴ write/read cycles, provid­ing vir­tu­ally un­lim­ited ser­vice life. When used with CODESYS con­trol ap­plic­a­tions, FRAM acts as re­man­ent memory, that re­li­ably backs up im­port­ant pro­cess data dur­ing power fail­ures and re­stores it after the con­trol­ler is re­star­ted. The CM5 can be flex­ibly ex­pan­ded with op­tion­al mul­ti­func­tion I/O mod­ules that provide di­git­al and ana­log in­puts/out­puts, tem­per­at­ure chan­nels, fast coun­ters, and PWM chan­nels. These mod­ules al­low the device to be ad­ap­ted to spe­cif­ic re­quire­ments. Its com­pact design min­im­izes space re­quire­ments in the con­trol cab­in­et without com­prom­ising per­form­ance or func­tion­al­ity. With the AL Pi-Tron CM5 Kon­tron provides a fu­ture-proof and power­ful plat­form for In­dustry 4.0 ap­plic­a­tions, meet­ing the grow­ing need for con­trol, auto­ma­tion, and re­li­able data stor­age.
 

Scalable Software-Based Controller

The Phoenix Con­tact Vir­tu­al PLCnext Con­trol solu­tion is fully in­teg­rated in­to the PLCnext Tech­no­logy eco­sys­tem and opens up new pos­sib­il­it­ies for state-of-the-art, scal­able, and re­source-sav­ing auto­ma­tion con­cepts without any phys­ic­al con­trol­ler hard­ware.

Con­tain­er solu­tion for fast de­ploy­ment

It’s hard­ware-in­de­pend­ent and based on the Open Con­tain­er Ini­ti­at­ive (OCI). This means that the con­trol­ler soft­ware can be run as a con­tain­er ap­plic­a­tion in state-of-the-art IT in­fra­struc­tures such as Dock­er and Hy­per-V – on Win­dows and Linux sys­tems, loc­ally and in the cloud. This ar­chi­tec­ture en­ables rap­id de­ploy­ment, simple scal­ing, and a high de­gree of flex­ib­il­ity when in­teg­rat­ing in­to ex­ist­ing auto­ma­tion and IT land­scapes. The new solu­tion will be presen­ted for the first time at SPS 2025. 

Cus­tom­ers be­ne­fit from high-level scalab­il­ity, rap­id de­ploy­ment, and the abil­ity to im­ple­ment auto­ma­tion projects flex­ibly, while sav­ing re­sources at the same time. The new solu­tion sup­ports all of the fa­mil­i­ar func­tions from PLCnext such as pro­gram­ming in IEC 61131-3, high-level lan­guage in­teg­ra­tion, OPC UA, MQTT, and the use of apps from the PLCnext Store. This means that the fa­mil­i­ar de­vel­op­ment en­vir­on­ment is re­tained – it is just that there is no phys­ic­al con­trol­ler hard­ware. Vir­tu­al PLCnext Con­trol is ideal for ap­plic­a­tions in in­dus­tri­al di­git­al­iz­a­tion where clas­sic con­trol tech­no­logy has reached its lim­its – wheth­er for sim­u­la­tions, test en­vir­on­ments, de­cent­ral con­trol con­cepts, or as part of an edge ar­chi­tec­ture.

Humidity and Temperature Transmitter for Accelerated Processes and High Levels of Chemical Contamination

Devices of the JUMO hy­dro­TRANS series are de­pend­able hu­mid­ity and tem­per­at­ure trans­mit­ters with an op­tion­al CO2 mod­ule. The device series is avail­able with vari­ous in­ter­faces. Moreover, it is char­ac­ter­ized by easy in­stall­a­tion, ro­bust­ness, and re­li­able sensor tech­no­logy. 

The new hy­dro­TRANS H50 is a solu­tion even in areas with high levels of mois­ture or chem­ic­al con­tam­in­a­tion thanks to highly ac­cur­ate as well as stable tem­per­at­ure and hu­mid­ity meas­ure­ments. Its broad ap­plic­a­tion area of -80 to +180 °C and its abil­ity to meas­ure pres­sures of up to 300 bar not only al­lows it to handle a wide range of meas­ure­ment tasks, but also re­duces equip­ment costs due to an in­teg­rated data log­ger.

Meas­ure­ment for ef­fi­cient pro­cesses

The trans­mit­ter is able to cov­er a wide ap­plic­a­tion­al range that need a high de­gree of pro­cess re­li­ab­il­ity as the fol­low­ing ex­amples demon­strate:

Dry pro­cesses for grain can be mon­itored very closely and also ac­cel­er­ated, thanks to the JUMO hy­dro­TRANS H50 ro­bust­ness and pre­ci­sion des­pite the ex­tremely high tem­per­at­ures. 

PEM fuel cells are an­oth­er ap­plic­a­tion area. PEM stands for “Pro­ton Ex­change Mem­brane” or “Poly­mer Elec­tro­lyte Mem­brane”. 2 types of PEM fuel cells are be­ing de­veloped: low-tem­per­at­ure cells (up to about 90 °C) and high-tem­per­at­ure cells (up to about 180 °C). In the fuel cell, the JUMO hy­dro­TRANS H50 is used to meas­ure the hu­mid­ity in the sup­ply lines for hy­dro­gen and oxy­gen. This en­sures that the mem­brane is al­ways prop­erly moistened and, as a res­ult, the op­er­at­ing life and ef­fect­ive­ness of the fuel cell are max­im­ized. 

Self-Learning AI Camera

With its new AI cam­era TIV, TURCK prom­ises a paradigm shift in in­dus­tri­al im­age pro­cessing: in­stead of com­plex pro­gram­ming, all you need to do is train the in­tel­li­gent cam­era with a few sample im­ages. TIV (TURCK In­tel­li­gent Vis­ion) learns pat­terns and dif­fer­ences in­de­pend­ently and re­li­ably re­cog­nizes good and bad parts or dif­fer­ent classes. The train­ing and ex­e­cu­tion of the neur­al net­works takes place dir­ectly on the cam­era, sup­por­ted by a power­ful 12-mega­pixel glob­al shut­ter sensor (Sony Pre­gi­us S, 4th gen­er­a­tion) and an NVIDIA Jet­son Nano GPU with 4 GB RAM. Im­age pro­cessing runs in real time on the device.

Apps cov­er key tasks

With four pre-in­stalled AI apps – Dif­fer­ence Check, Clas­si­fi­er, De­tect­or, and Code Scan – the TIV12MG-Q110N cov­ers key in­dus­tri­al im­age pro­cessing tasks: from com­plete­ness checks and clas­si­fic­a­tion to ob­ject de­tec­tion and 1D/2D code re­cog­ni­tion. The cam­era re­cog­nizes and eval­u­ates test areas sep­ar­ately, de­liv­er­ing co­ordin­ates, con­fid­ence scores, and IO/NIO sig­nals dir­ectly to PLCs or IT sys­tems. Thanks to the C-mount con­nec­tion, stand­ard lenses can be used flex­ibly; an op­tion­al pro­tect­ive tube brings the sys­tem up to IP67 pro­tec­tion class. The en­tire con­trol sys­tem, light­ing tech­no­logy, sensors, and power sup­ply are de­cent­ral­ized and ro­bust – ideal for use dir­ectly on the line.

Op­er­a­tion is in­tu­it­ive via the web browser. In­teg­ra­tion in­to the TURCK Auto­ma­tion Suite (TAS) fa­cil­it­ates device man­age­ment and in­teg­ra­tion in­to di­git­al main­ten­ance and mon­it­or­ing pro­cesses. M12 con­nec­tions for power, net­work, trig­ger, and I/O al­low the cam­era to be flex­ibly in­teg­rated in­to ex­ist­ing sys­tems. On-premise op­er­a­tion, trans­fer­able data sets, and neur­al net­works en­able scal­able rol­louts without ad­di­tion­al edge hard­ware or li­cens­ing costs.
 

All-In-One Energy Storage Solution for Commercial & Industrial Applications

Delta Elec­tron­ics has launched its C-Series All-In-One En­ergy Stor­age Solu­tion for com­mer­cial and in­dus­tri­al (C&I) ap­plic­a­tions. This in­nov­at­ive solu­tion in­teg­rates LFP bat­tery packs, a Power Con­di­tion­ing Sys­tem (PCS), a li­quid cool­ing sys­tem, and a unit con­trol­ler. Of­fer­ing a single-cab­in­et ca­pa­city of 125 kW / 261 kWh the pack­age comes with a com­pact foot­print of less than 1.5 square meters. The solu­tion can in­teg­rate up to ten cab­in­ets in on-grid op­er­a­tion for MW-scale en­ergy stor­age. Its fork­lift-ready skid design elim­in­ates the need for com­plex hoist­ing and un­der­ground trench­ing for cabling, sig­ni­fic­antly re­du­cing on-site con­struc­tion time and labor costs.

The C-Series ESS is equipped with a full li­quid-cooled sys­tem, and be­ne­fits from gas-vent­ing valves (in­let and out­let), the use of LFP 314 Ah cells, built-in heat, smoke, and flam­mable gas de­tect­ors, and fire aer­o­sol pro­tec­tion.

Routine con­trols on device level for EMS re­lief

At the core of the C-Series ESS is the PCS, seam­lessly in­teg­rated along­side five bat­tery packs, a li­quid cool­ing sys­tem, and a con­trol unit – all with­in a com­pact foot­print of less than 1.5 m². This space-ef­fi­cient design sig­ni­fic­antly re­duces in­stall­a­tion area re­quire­ments, mak­ing it ideal for sites where space is at a premi­um. By man­aging routine con­trol func­tions at the cab­in­et level, it frees up the cent­ral en­ergy man­age­ment sys­tem (EMS) to fo­cus on stra­tegic de­cision-mak­ing and AI-driv­en op­tim­iz­a­tion. The sys­tem also sup­ports mul­tiple ap­plic­a­tion modes and al­lows for seam­less in­teg­ra­tion with third-party EMS plat­forms. Built with high-per­form­ance LFP 314 Ah cells, the C Series is de­signed as a long-term in­vest­ment. It com­bines a long cycle life with high en­ergy dens­ity and com­plies with the UL 9540A test­ing meth­od, en­sur­ing it meets rig­or­ous fire safety and build­ing code stand­ards for bat­tery en­ergy stor­age sys­tems.
 

Drag Chain Cables for a Wide Application Range

In in­dus­tri­al auto­ma­tion, the de­mands on dy­nam­ics and net­work­ing are con­stantly in­creas­ing. Drag chain cables play a cent­ral role, es­pe­cially in the area of mov­ing ap­plic­a­tions – such as grip­per arms, lin­ear axes, or trans­port sys­tems – where they en­sure the trouble-free sup­ply of en­ergy and the trans­mis­sion of con­trol and com­mu­nic­a­tion sig­nals. The KAWE­FLEX® series from TKD Ka­bel was de­veloped spe­cific­ally for these re­quire­ments.

Highly flex­ible & flame-re­tard­ant

One ex­ample of the re­si­li­ence of these products is the KAWE­FLEX® 6130 SK-PUR UL/CSA con­trol and con­nec­tion cable. Its design is highly flex­ible and al­lows bend­ing radii of 7.5 x d. It en­ables travel dis­tances of up to 50 m. In drag chains, it op­er­ates at speeds of up to 10 m/s with ac­cel­er­a­tion of up to 20 m/s² without dam­aging the cable or im­pair­ing its per­form­ance. Thanks to the spe­cial PUR out­er sheath ma­ter­i­al, it also of­fers ex­cel­lent res­ist­ance to oils and lub­ric­ants. It is UV-res­ist­ant, halo­gen-free, and flame-re­tard­ant. KAWE­FLEX® 6130 SK-PUR has UL/CSA ap­prov­al for use in North Amer­ica. As a shiel­ded ver­sion, KAWE­FLEX® 6230 SK-C-PUR UL/CSA of­fers the highest pos­sible EMC pro­tec­tion dur­ing move­ment. With a per­miss­ible rated voltage of 600 V/1000 V, both cables can also be used as mo­tor and con­nec­tion cables.

The KAWE­FLEX® All­round 7240 SK-C-TPE UL/CSA con­trol and con­nec­tion cable for a par­tic­u­larly wide range of ap­plic­a­tions. De­pend­ing on re­quire­ments, its cores are stran­ded in lay­ers (up to 11 cores) or in bundles around a tensile core (12 cores or more). This design gives TKD Ka­bel’s products a high de­gree of ro­bust­ness, en­abling travel dis­tances of up to 400 m at speeds of up to 10 m/s and ac­cel­er­a­tion of up to 100 m/s². The bend­ing ra­di­us dur­ing move­ment is 5 x d. The dur­able TPE sheath provides pro­tec­tion against UV ra­di­ation, ozone, and weath­er­ing, as well as against coolants, mi­crobes, fresh and salt wa­ter, and di­luted sul­fur­ic acid. This makes the “all-round­er” from KAWE­FLEX® equally suit­able for use in mech­an­ic­al en­gin­eer­ing, food and bever­age pro­cessing, and the chem­ic­al in­dustry.

Ro­bust light­weights

All cables in the KAWE­FLEX® series are de­signed for sev­er­al mil­lion bend­ing cycles. Their spe­cial strand­ing tech­no­logy and com­pact design keep them light­weight and dur­able. The series in­cludes data and con­trol cables as well as power sup­ply cables, shiel­ded and un­shiel­ded, hy­brid and halo­gen-free products. 
 

Tactile Switch with 3N Operation Force

Panason­ic In­dustry Europe has launched a new tiny tact­ile switch which provides a unique tact­ile feel­ing and a new op­er­a­tion force of 3 N. The switch’s very small foot­print is per­fect for ap­plic­a­tions where space is scarce on PCBs. 

Low foot­print, high op­er­a­tion force

Des­pite this small foot­print, the EVPBB5AHE00 is highly re­li­able with a long op­er­a­tion­al life of up to 500k cycles. An IP 67 rat­ing en­ables the switch to eas­ily with­stand harsh en­vir­on­ments, suit­ing it to a broad vari­ety of ap­plic­a­tions. Equipped with an ac­tu­at­or (push plate), the new mini­ature tact­ile switch pairs a short push travel dis­tance with a high op­er­a­tion force of 3N, res­ult­ing in a unique, sharp and crisp tact­ile click feel­ing. Ex­tern­al di­men­sions of just 2.6 mm × 1.6 mm and a low pro­file of 0.5 to 0.57 mm make this device one of the ti­ni­est tact­ile switches cur­rently avail­able, es­pe­cially with the high 3N op­er­a­tion force. 

The EVPBB5AHE00 tar­gets ap­plic­a­tions in­clud­ing med­ic­al devices, wear­ables, smart watches, hear­ing aids, head­sets and smart­phones. Panason­ic's EVP-BB Series tact­ile switches are one of the smal­lest in the world with an IP67 rat­ing. Fea­tur­ing a laser-wel­ded design, Panason­ic In­dustry has been able to provide a high level of in­gress pro­tec­tion while main­tain­ing the sharp tact­ile feel ne­ces­sary for en­hanced user ex­per­i­ence. The laser-wel­ded design of these Tact­ile Switches also helps to pre­vent ac­tu­at­or peel-off in the case of side-load or im­pact.
 

Sealed Appliance Inlet

Pro­tec­tion against dirt particles and mois­ture is be­com­ing in­creas­ingly im­port­ant. With product type 5180 and the as­so­ci­ated V-Lock power cord, SCHURTER is launch­ing an IP54 device con­nec­tion that meets even the most de­mand­ing re­quire­ments. The newly de­veloped SCHURTER 5180 is an ap­pli­ance in­let with fil­ter in ac­cord­ance with IEC 60320 and IEC 60529. Thanks to sev­er­al seals, the built-in device plug provides IP67 pro­tec­tion for the hous­ing. In com­bin­a­tion with the cor­res­pond­ing V-Lock power cord, a pro­tec­tion rat­ing of IP54 is achieved when plugged in. This rat­ing of­fers ex­cel­lent pro­tec­tion against dust particles and is splash-proof.

Spe­cial seal­ing gas­kets

The blue col­our of the V-Lock cable sock­et alone in­dic­ates that something is dif­fer­ent here. Both the device plug and the power cord have been equipped with spe­cial seal­ing ele­ments to achieve a high IP pro­tec­tion rat­ing. The new blue V-Lock cable en­sures re­li­able pull-out pro­tec­tion and tight­ness. Stand­ard and high-per­form­ance ver­sions are avail­able. The lat­ter are equipped with nano­crys­tal­line cores in the chokes. The new 5180 device con­nect­or fil­ter is also avail­able in a ver­sion made from plant-based plastic. This sig­ni­fic­antly re­duces the com­pon­ent's CO₂ emis­sions.

Ap­plic­a­tion fields

Wherever dirt, dust particles, or splash­ing wa­ter may oc­cur, the new SCHURTER tech­no­logy is the per­fect choice. This can be the case in harsh work­ing en­vir­on­ments in in­dustry. In the med­ic­al field, a high­er IP pro­tec­tion class is re­quired. This is be­cause med­ic­al devices must be cleaned, dis­in­fec­ted, and even ster­il­ized reg­u­larly if ne­ces­sary. Sim­il­ar re­quire­ments ap­ply in the food in­dustry. 
 

Insulation Monitoring Module

Sensata Tech­no­lo­gies an­nounced the launch of the SIM200 In­su­la­tion Mon­it­or­ing Device (IMD), de­signed to en­hance safety in the next gen­er­a­tion of the elec­tric vehicle eco­sys­tem. The SIM200 (IMD) is de­signed for con­tinu­ous act­ive mon­it­or­ing of un­earthed (Isol­ated Terra) DC sys­tems in­clud­ing char­ging sta­tions, elec­tric vehicles, and oth­er sys­tems op­er­at­ing above 60 VDC.

Con­tinu­ous “al­ways on” mon­it­or­ing 

In a high voltage sys­tem, elec­tric­al isol­a­tion is ac­com­plished by us­ing non-con­duct­ing bar­ri­ers such as in­su­la­tion on cables, plastic hous­ings on com­pon­ents, and phys­ic­al dis­tance. IM­Ds are needed to mon­it­or these sys­tems for fail­ures, which could al­low ex­cess cur­rent to flow where it should not and pose an elec­tro­cu­tion risk. Us­ing its pat­en­ted sig­nal in­jec­tion al­gorithm and pro­cessing cap­ab­il­it­ies, the SIM200 is de­signed to provide con­tinu­ous “al­ways on” mon­it­or­ing – even when the sys­tem is turned off or ex­per­i­en­cing large changes in voltage. This IMD solu­tion is also able to provide mon­it­or­ing of the total stored ca­pa­cit­ance in the sys­tem – func­tion­al­ity which is crit­ic­al for safety in to­mor­row's high-powered mega­watt char­ging ap­plic­a­tions and meet­ing fu­ture in­su­la­tion mon­it­or­ing spe­cific­a­tions.

Stand­ard Mod­ules from 60 to 1500V

Lever­aging tech­no­logy from Sensata’s 2021 ac­quis­i­tion of Sen­dyne Corp, the SIM200 mon­it­ors the in­su­la­tion of Isol­ated Terra sys­tems by in­ject­ing a small voltage through isol­a­tion res­ist­ors onto both the pos­it­ive and neg­at­ive high-voltage rails. The in­jec­tion pulses al­tern­ate between the pos­it­ive and neg­at­ive rails at set time peri­ods, and the sys­tem mon­it­ors these pulses against the sys­tem voltage to de­tect any safety con­cerns with the sys­tem and help trig­ger a shut­down if ne­ces­sary.

En­gin­eered to work seam­lessly across EV char­ging and oth­er plat­forms, the SIM200 is avail­able in a vari­ety of stand­ard mod­ules con­figured for ap­plic­a­tions from 60 V up to 1500 V. The device is UL 2231-2 re­cog­nized and has been tested to IEC 61557-8 re­quire­ments. Its com­mu­nic­a­tion frame­work has also been de­signed with in­puts from some of the world’s largest OEMs, with dual ded­ic­ated fault state out­puts, ro­bust self-dia­gnos­is func­tion­al­ity, as well as a mod­u­lar CAN 2.0B in­ter­face for de­tailed sys­tem in­form­a­tion.
 

Compact Modbus HMIs

An ultra-compact design doesn’t have to mean limitations in terms of functionality. DISPLAY VISIONS demonstrates this with its touch operating units in the EA-HMI series. Even at diagonal screen measurements of just 2.8" and 4.3", these displays offer excellent functionality in the smallest space. They therefore represent a robust solution for all industrial applications where compact dimensions are a real issue. The EA-HMI operating devices can be used with more than 20 widely available programmable logic controllers (PLCs), including the models from well-known providers such as Allen Bradley, Beckhoff, Mitsubishi and Siemens. They are configured as slaves and support the standard communication protocols Modbus RTU and Modbus TCP. 

In addition to the compact dimensions, another highlight of this series is the ease of integration into existing PLC systems. The displays support all data types, including coil, discrete, input and holding. It is also possible to process 32-bit floating point values for floating point calculations. The data elements, from the text and numbers to the bar graphics and images, can be assigned flexibly to the Modbus registers.

High readability and easy interface design

The EA-HMI series operating units offer a high level of brightness of 1000 cd/m², which means that the displays can be read at all times, in poor light conditions or even outdoors. The devices are intended for wall or front panel assembly. The free of charge software HMI designer is available for customers to develop their own user interfaces quickly and easily. This WYSIWYG tool allows screen pages to be designed intuitively. After the interface is designed, the Modbus registers are logically linked with the display elements, which means that the corresponding data is automatically shown on the display in a form that is always up to date. DISPLAY VISIONS also offers the creation of complete, customer-specific HMI designs as a service on request.

Exhibitor sps 2025: Hall 7, 260
 

PoE-Daughterboard for Modular Camera Concepts

IDS Ima­ging De­vel­op­ment Sys­tems ex­pands its mod­u­lar cam­era concept with a re­mote GigE PoE board (Daugh­ter­board). It en­ables power sup­ply and data trans­fer via a single cable, thereby fa­cil­it­at­ing the in­teg­ra­tion of mother­board board-level cam­er­as from the GigE uEye LE and uEye SLE series. The mother­boards are based on a flex­ible in­ter­face concept: In­stead of a con­nect­or block, they fea­ture a com­pact flat rib­bon con­nect­or, al­low­ing con­nec­tion via a flex­ible cable to a re­mote in­ter­face elec­tron­ics unit.

This prin­ciple al­lows sensors and op­tics to be placed in the hous­ing in­de­pend­ently of the power sup­ply and data con­nec­tion, an ad­vant­age par­tic­u­larly for in­di­vidu­al or space-crit­ic­al product designs. Power sup­ply and data trans­mis­sion can now be achieved us­ing a single cable with an RJ45 con­nect­or, to make in­teg­ra­tion more con­veni­ent. The new GigE PoE Daugh­ter­board opens up a wide range of pos­sib­il­it­ies for de­velopers and in­teg­rat­ors to cre­ate space-sav­ing yet power­ful cam­era sys­tems.
 

Fighting the Weeds With Ease

De­vel­op­ing sus­tain­able ma­chines for ag­ri­cul­ture is a chal­lenge as al­tern­at­ive com­pon­ents are of­ten re­quired. Kil­ter provides an ex­ample of this: the Nor­we­gi­an com­pany has de­veloped the AX-1. This fully auto­mated ag­ri­cul­tur­al ro­bot drives autonom­ously across fields us­ing GPS. It re­cog­nises weeds with a vis­ion sys­tem and ar­ti­fi­cial in­tel­li­gence. In­stead of spray­ing herb­i­cides over large areas, the ro­bot ap­plies tiny drops to the weeds in a tar­geted man­ner with the help of a nozzle sys­tem - sim­il­ar to the pre­ci­sion of an inkjet print­er. "Thanks to this tar­geted ap­plic­a­tion, we can in­crease yields by up to 35% as the crops thrive without weeds and their meta­bol­ism is no longer af­fected by herb­i­cides," says An­ders Brevik, CEO of Kil­ter. At the same time, chem­ic­al use is re­duced by 95%.

The chal­lenge: pro­tect­ing the soil with light­weight and lub­ric­a­tion-free com­pon­ents

The solu­tion from Nor­way also con­serves the soil, both through the re­duced use of chem­ic­als and the design of the ro­bot it­self. "It was im­port­ant to us that the AX1 also works in the most en­vir­on­ment­ally friendly way pos­sible," says Try­gve Weum, Design En­gin­eer at Kil­ter. At the same time, the com­pon­ents had to be as light as pos­sible so that the ro­bot only min­im­ally con­denses the ground dur­ing op­er­a­tion. This was par­tic­u­larly chal­len­ging with the ad­just­ment mech­an­ism of the spray mod­ule. Most of the lin­ear sys­tems avail­able work with lub­ric­ants and are re­l­at­ively heavy. "We were there­fore very re­lieved when we found a lub­ric­a­tion-free and light­weight solu­tion from ig­us."

Ad­apt­ing the spray­ing sys­tem to plant heights

To ad­just the height of the spray nozzle mod­ule to the cur­rent plant height, Kil­ter's design en­gin­eers use a lin­ear mod­ule from the drylin SLW25120 series from ig­us. The sys­tem is based on a ro­bust drylin W lin­ear guide made of hard-coated alu­min­um and a trapezoid­al threaded spindle with an elec­tric mo­tor. The ro­ta­tion of the spindle causes the threaded nut to move along an ax­is and with it a lin­ear slide con­nec­ted to the spray nozzle mod­ule. The base weight of the SLW25120 is around 5.9kg, plus around 0.9kg per 100mm stroke length. An­oth­er spe­cial fea­ture: no grease is re­quired for these move­ments of the nut and the car­riage. The car­riage's nut and plain bear­ing are made of a high-per­form­ance plastic in which mi­cro­scop­ic­ally small sol­id lub­ric­ants are in­teg­rated. They al­low for low-fric­tion dry op­er­a­tion. "It is equally im­port­ant that grease can no longer com­bine with the dust from the field and form a paste that in­creases fric­tion," adds Weum. "This makes the mech­an­ism far more fail-safe." Farm­ers also save time as no re­lubric­a­tion work is re­quired.

"The mod­ule makes a sig­ni­fic­ant con­tri­bu­tion to the ro­bot's re­li­ab­il­ity"

The Nor­we­gi­an en­gin­eers at Kil­ter were also im­pressed by the ro­bust­ness of the lin­ear mod­ule. This is es­sen­tial as things can get rough on the field in terms of forces. "The tor­sion-res­ist­ant double­shaft design en­sures a high level of sta­bil­ity. The sys­tem fea­tures a max­im­um axi­al load ca­pa­city of 2,500N and a per­miss­ible ra­di­al force of up to 10,000N. This means that it of­fers a safety re­serve that is more than suf­fi­cient to re­li­ably move the spray mod­ule weigh­ing around 60kg for years," says Mi­chael Hornung, Product Man­ager drylin Lin­ear and Drive Tech­no­logy. This leaves enough room for ad­di­tion­al loads, for ex­ample through im­pacts on the field. "We really ap­pre­ci­ate the ro­bust­ness of the lin­ear mod­ule," says Weum. "The mod­ule con­trib­utes sig­ni­fic­antly to the re­li­ab­il­ity of the ro­bot and thus the sat­is­fac­tion of the farm­ers."

Motion Controller with Advanced Multi-Axis Management

Elmo Mo­tion Con­trol has an­nounced the launch of the Ti­tani­um Maes­tro, a next-gen­er­a­tion mo­tion con­trol­ler. The Ti­tani­um Maes­tro meets the de­mands of ma­chine build­ers who re­quire high per­form­ance, speed, ac­cur­acy, and ro­bust­ness. De­signed for the most de­mand­ing ap­plic­a­tions, it of­fers cut­ting-edge, real-time Eth­er­CAT com­mu­nic­a­tion and ad­vanced multi-ax­is man­age­ment cap­ab­il­it­ies. 

High Per­form­ance for up to 96 axes

The new con­trol­ler en­hances the per­form­ance and flex­ib­il­ity of sys­tems, help­ing de­sign­ers and in­teg­rat­ors of high-per­form­ance mo­tion ma­chines across vari­ous in­dus­tries to de­vel­op more ef­fi­cient and com­pet­it­ive mo­tion solu­tions. Powered by a quad-core CPU, the Ti­tani­um Maes­tro is housed in a fan­less, pass­ively cooled unit with ex­tens­ive memory of up to 16 GB of RAM and 64 GB of FLASH. The mo­tion con­trol­ler achieves an in­dustry-lead­ing Eth­er­CAT cycle time of 100 µs for 16 axes, set­ting a new per­form­ance stand­ard. Al­tern­at­ively, it can con­trol a total of up to 96 axes. With its graph­ic­al cap­ab­il­it­ies, ad­vanced C++ and Py­thon pro­gram­ming and real-time pro­gram­ming sup­port, the Ti­tani­um Maes­tro is de­signed to em­power the next gen­er­a­tion of mo­tion con­trol solu­tions. 'Soft­ware in the Loop' (SIL) sup­port fur­ther stream­lines the de­vel­op­ment pro­cess and ac­cel­er­ates the val­id­a­tion of com­plex auto­ma­tion sys­tems.
 

Flexible Decentralized Servo Inverter

AMK­mo­tion’s ihD servo in­vert­er, de­signed for de­cent­ral­ised in­stall­a­tion, stands out thanks to its min­im­al space re­quire­ments and well-de­signed cabling. Power, STO (Safe Torque Off), 24 V and field­bus com­mu­nic­a­tion are all trans­mit­ted via a single cable. Thanks to the daisy-chain meth­od, mul­tiple servo in­vert­ers can be eas­ily con­nec­ted in series, re­du­cing cabling costs by up to 70% com­pared to cent­ral­ised drive sys­tems.

An­oth­er ad­vant­age of the ihD-DT5 ver­sion is that the in­vert­er is moun­ted dir­ectly on the mo­tor series with in­teg­rated con­trol elec­tron­ics. This elim­in­ates the need for ex­tern­al cabling and sig­ni­fic­antly sim­pli­fies in­stall­a­tion.

High-per­form­ance elec­tron­ics in a smart design

The ihD de­liv­ers power­ful, dy­nam­ic per­form­ance even un­der de­mand­ing con­di­tions.  With a rated cur­rent of eight amps, it can provide triple over­load for one second – ideal for ap­plic­a­tions in­volving dy­nam­ic load peaks and high cycle rates.

A standout fea­ture of the ihD is its flex­ible con­nec­tion concept. De­pend­ing on the in­stall­a­tion setup, the hy­brid in­put con­nect­or can face either back­wards or up­wards. The stand-alone ver­sion of the ihD also fea­tures a plug that can ro­tate through 300 de­grees for mo­tor and en­coder con­nec­tions. This makes in­teg­ra­tion in­to ex­ist­ing ma­chine con­cepts much easi­er, sav­ing space and cabling.

The ihD also im­presses with its in­tel­li­gent en­ergy man­age­ment: ex­cess en­ergy is dis­trib­uted to all con­nec­ted servo in­vert­ers via a shared DC bus, re­du­cing losses and in­creas­ing over­all sys­tem ef­fi­ciency. With IP65 pro­tec­tion, the ihD is ideally suited to de­mand­ing in­dus­tri­al en­vir­on­ments, re­main­ing un­af­fected by dust, mois­ture or vi­bra­tions. At just 165 × 100 × 60 mil­li­meters, the ihD is ex­tremely com­pact for its power class. This en­ables even more space-sav­ing de­cent­ral­ized drive solu­tions – a ma­jor ad­vant­age where in­stall­a­tion space is lim­ited. The ihD is en­tirely plug-in com­pat­ible. There is no need to open the in­vert­er for con­nec­tion, and when the sys­tem is de-en­er­gized, in­stall­a­tion can be car­ried out without re­quir­ing spe­cial­ized per­son­nel.
 

What to Look for in Your Motion Control Feedback Device

Today’s servo sys­tems de­pend on ac­cur­ate, con­sist­ent feed­back to main­tain po­s­i­tion, con­trol speed, and ex­ecute com­plex mo­tion pro­files. But not all feed­back devices you can spe­cify are cre­ated equal. Tra­di­tion­al en­coders or re­solv­ers still do the job in many ap­plic­a­tions, but ap­plic­a­tion re­quire­ments in­creas­ingly need devices that go bey­ond the ba­sics. Design en­gin­eers also want faster in­teg­ra­tion and less test­ing time. Mod­ern­iz­ing your feed­back device can mean re­du­cing wir­ing, sim­pli­fy­ing setup, or elim­in­at­ing long­stand­ing com­prom­ises on res­ol­u­tion, ac­cur­acy, and smooth­ness of mo­tion.

Wheth­er you’re spe­cify­ing a new servo sys­tem or look­ing to sim­pli­fy an ex­ist­ing design, it’s worth ask­ing: what do you need your feed­back device to do, and what’s now pos­sible?

What are you really look­ing for?

At the most ba­sic level, your feed­back device needs to de­liv­er the res­ol­u­tion and ac­cur­acy re­quired to drive the mo­tion loop ef­fect­ively. Too little, and you’ll see ripples in mo­tion, jit­ter in po­s­i­tion holds, vi­bra­tion in the ma­chine, or just plain in­ac­cur­ate po­s­i­tion­ing. Too much, and you might be pay­ing for more cap­ab­il­ity than needed. Mech­an­ics con­nect­ing to a mo­tor shaft can only so ac­cur­ately con­nect to the part of the ma­chine do­ing the work which is where the mo­tion really mat­ters.

But mod­ern feed­back devices also bring in an­oth­er cat­egory of fea­tures that ex­tend bey­ond the ba­sic specs and sim­pli­fy the ma­chine as a whole. This is where many of today’s biggest gains are be­ing made.

They in­clude:
Simple cabling: Servo sys­tems used to rely on ded­ic­ated feed­back cables, some­times re­quir­ing 13 or more wires just for feed­back. That meant big­ger cab­in­ets, more con­nect­ors, tight­er bends through cable trays, and more hands-on work dur­ing in­stall­a­tion.

Mod­ern single-cable feed­back sys­tems sim­pli­fy all of that. By tak­ing the mo­tor power cable and just adding two wires for feed­back data to fit everything in­to a single cable, they re­duce ef­fort and cut in­stall time. Single-cable can make a ma­jor dif­fer­ence on com­pact ma­chines where space is tight and re­duce ma­chine build time Built-in mo­tor ID: Many mod­ern feed­back devices now in­clude on­board memory that stores the mo­tor’s ID, specs, and even tun­ing para­met­ers. When con­nec­ted to a com­pat­ible drive, the sys­tem can auto­mat­ic­ally re­cog­nize what it’s work­ing with.

That means setup be­comes faster, more con­sist­ent, and less prone to hu­man er­ror. In sys­tems where mo­tors are easy to mix up – say, a high­speed and low-speed vari­ant shar­ing identic­al hous­ing – this auto-re­cog­ni­tion helps pre­vent costly mis­matches. It also sup­ports smooth­er glob­al de­ploy­ment, es­pe­cially when ma­chines are shipped across re­gions with dif­fer­ent voltage stand­ards.

Thermal mon­it­or­ing: Tem­per­at­ure sensors are vi­tal for pro­tect­ing mo­tors, but tra­di­tion­ally they’ve re­quired their own wir­ing back to the drive. With smarter feed­back sys­tems, tem­per­at­ure data can now be sent over the same di­git­al link used for po­s­i­tion data.

This com­bin­a­tion stream­lines wir­ing even fur­ther and makes it easi­er to mon­it­or wind­ing tem­per­at­ures in real time. The res­ult is bet­ter pro­tec­tion against over­heat­ing, more con­sist­ent per­form­ance, and few­er points of fail­ure.

Func­tion­al safety sup­port: In ap­plic­a­tions where people work close to mov­ing ma­chinery, safety is vi­tal. Some mod­ern feed­back devices now sup­port func­tion­al safety fea­tures dir­ectly through the en­coder.

These cer­ti­fied en­coders al­low safety sys­tems to re­li­ably mon­it­or mo­tor po­s­i­tion and in­ter­vene if mo­tion goes out­side ex­pec­ted bounds. In­teg­rat­ing safety at the feed­back level re­duces the need for ex­tra sensors or re­lays, sim­pli­fies sys­tem design, and helps meet com­pli­ance re­quire­ments without over­com­plic­at­ing the ma­chine.

The new stand­ard

One fea­ture that’s quickly be­com­ing an ex­pect­a­tion rather than a simple nice-to-have is mul­ti­t­urn ab­so­lute feed­back. This al­lows a sys­tem to know not just the shaft angle with­in a single re­volu­tion, but how many full turns have oc­curred, even when the sys­tem is powered off. Without mul­ti­t­urn track­ing, the sys­tem has no idea where it is on that ax­is after a power cycle. The com­mon work­around is a hom­ing routine: the ma­chine slowly moves to a ref­er­ence point and re­sets it­self. While this works, it’s in­ef­fi­cient and vul­ner­able to mech­an­ic­al faults.

Mul­ti­t­urn ab­so­lute feed­back lets ma­chines skip the hom­ing pro­cess en­tirely. Power up, and they’re ready to go. That means short­er star­tup times, few­er mov­ing parts (no home switches), and few­er chances for something to go wrong.

There are sev­er­al ways to achieve this. Some devices use small in­tern­al gear­boxes to track turns, but this adds cost, com­plex­ity, and phys­ic­al length to the en­coder. These gears also lim­it us­able mul­ti­t­urn range, usu­ally to 12 bits. Oth­er feed­back devices use bat­tery backups, which are com­pact and straight­for­ward, but can po­ten­tially cre­ate main­ten­ance is­sues down the line and re­li­ab­il­ity is­sues with un­sched­uled bat­tery fail­ures.

En­ergy-har­vest­ing feed­back devices of­fer a mod­ern al­tern­at­ive to both. These gen­er­ate just enough power from shaft ro­ta­tion to store turn counts in non-volat­ile memory. The res­ult is a com­pact, bat­tery-free, main­ten­ance­free solu­tion that fits in­to the same foot­print as a ba­sic en­coder.

Choos­ing the right feed­back device for the job

So, how do you de­cide what to spe­cify? For most ap­plic­a­tions, a mod­ern di­git­al feed­back device with mul­ti­t­urn ab­so­lute cap­ab­il­ity via en­ergy har­vest­ing, single-cable sup­port, provides mo­tor thermal data, and has mo­tor cata­log data is a safe and fu­ture-ready choice. 

Devices like Koll­mor­gen’s SFD-M are de­signed to meet the de­mands of gen­er­al-pur­pose mo­tion sys­tems, de­liv­er­ing high per­form­ance, low cost, and re­duced sys­tem com­plex­ity.

And if you’re build­ing sys­tems at scale, it’s worth think­ing in terms of pre-matched com­pon­ents, such as those sup­plied by Koll­mor­gen. Drives, mo­tors, and feed­back devices that are de­signed to work to­geth­er out of the box re­duce in­teg­ra­tion com­plex­ity and speed up de­vel­op­ment.

Wheth­er you ap­proach feed­back at the com­pon­ent level or the sys­tem level, the key is to pick devices that re­duce the num­ber of com­prom­ises your ma­chine has to make.

It’s time to ex­pect more

Feed­back devices used to be simple. You picked a mo­tor and got the feed­back device it came with. You wired it up and tested wheth­er the in­cluded feed­back had the res­ol­u­tion and per­form­ance you needed. But today’s sys­tems de­mand more – and de­liv­er more in re­turn. Fea­tures like single-cable in­stall­a­tion, en­ergy-har­vest­ing multi-turn feed­back, plugand-play con­fig­ur­a­tion, and built-in safety and dia­gnostics are fast be­com­ing stand­ard in well-de­signed mo­tion plat­forms.

You’re not just choos­ing a sensor, you’re choos­ing a sys­tem that needs to work, re­li­ably and ef­fi­ciently, every day. That’s why it makes sense to look bey­ond the com­pon­ent spec sheet and con­sider how the feed­back device sup­ports the sys­tem as a whole.

Beyond Sustainability

IEN Europe: Bürkert is deeply in­volved in the top­ic of the 're­gen­er­at­ive eco­nomy'. How did Bürkert come to fo­cus on this top­ic? Could you also briefly define the term for our read­ers?
Georg Sta­wowy:
Per­haps we should start with the back­ground. While de­vel­op­ing our new Bürkert strategy, we real­ised that we wanted to pri­or­it­ise sus­tain­ab­il­ity, so we con­sidered what needed to be done to achieve this. As part of the strategy, we then came to the con­clu­sion that we needed to for­mu­late a vis­ion.

We be­lieve it is im­port­ant for a com­pany to set it­self over­arch­ing goals – a North Star that provides en­dur­ing dir­ec­tion. However, the more we re­searched sus­tain­ab­il­ity, the more we real­ised that sus­tain­ab­il­ity goals alone are in­suf­fi­cient. Fo­cus­ing purely on sus­tain­ab­il­ity activ­it­ies means do­ing less harm than with the pre­vi­ous, con­ven­tion­al ap­proach, but the clock is still tick­ing. 

At some point, we came across the concept of re­gen­er­at­ive eco­nom­ics. As we ex­plored it fur­ther, we real­ised that re­gen­er­at­ive eco­nom­ics is about chan­ging the rules of the game. It's about re­ward­ing dif­fer­ent things and hav­ing a vis­ion of how re­sources can be re­stored.

And if I had to define it, I would say that yes, a re­gen­er­at­ive eco­nomy is the vis­ion of con­sid­er­ing, in everything I do, wheth­er I can re­new the re­sources I need. In simple terms, can I give back more than I take in or­der to im­prove the over­all situ­ation? At first glance, this sounds like a con­tra­dic­tion, es­pe­cially for a private com­pany. And of course, it is a ma­jor chal­lenge when you start to think dif­fer­ently and say that it's not just about Scope 1 and 2 in terms of car­bon foot­print and photo­vol­ta­ics. It's about how we can truly re­gen­er­ate. What are re­sources any­way? Are we only talk­ing about plastic and steel, or what oth­er re­sources are there? And then I come to the top­ic of, well, em­ploy­ees are also re­sources, and I have to think about re­gen­er­a­tion there too. 

That's where we are right now, think­ing about what that means in con­crete terms in terms of im­ple­ment­a­tion.

IEN Europe: That sounds un­usu­al for a private com­pany at first. But what does it mean for Bürkert? What meas­ures need to be taken to move the com­pany in this dir­ec­tion, but also to get its cus­tom­ers on board?
Georg Sta­wowy:
Well, in my present­a­tion, I showed the dif­fer­ent levels at which ac­tion can and must be taken. The first key is­sue is re­spons­ible own­er­ship: what do we do with the profits? This has already been reg­u­lated at Bürkert through the ex­ist­ing found­a­tion struc­ture, which is non-profit. And, of course, there is also the area of em­ploy­ees. What can I do for them to make them feel se­cure and ap­pre­ci­ated in the com­pany dur­ing dif­fi­cult eco­nom­ic times? But, of course, the area of cus­tom­ers is cent­ral: what ser­vices do I of­fer and how must the com­pany be po­si­tioned for this?

The first thing we did was to define four key areas from all the ap­plic­a­tions and cus­tom­er groups we serve. Of course, we want to con­tin­ue serving the oth­er areas and also gain new ones, no ques­tion about it. These four fo­cus areas are pharma and bi­otech, food and bever­age, lab and ana­lyt­ic­al, and en­ergy. What do they have in com­mon? Put simply, they can con­trib­ute to cre­at­ing a bet­ter world. Im­prove­ments in these areas can have an enorm­ous lever­age ef­fect. We are also align­ing the or­gan­isa­tion of the com­pany with these four sec­tors. The na­tion­al sub­si­di­ar­ies have or­gan­ised their sales de­part­ments ac­cord­ingly, with in­tern­al and ex­tern­al sales forces. Be­hind this, we have busi­ness de­vel­op­ment, struc­tured pre­cisely ac­cord­ing to the ap­plic­a­tion and product man­agers, and be­hind that, de­vel­op­ment. It should be clearly re­cog­nis­able every­where what we stand for and what we of­fer.

If we can sup­port our cus­tom­ers in im­prov­ing their pro­cesses, for ex­ample in re­du­cing CO2 emis­sions, we can achieve much more to­geth­er than if our de­velopers only im­prove our products, which of course they also do.

IEN Europe: Will this also have a pos­it­ive fin­an­cial im­pact?
Georg Sta­wowy:
At present, per­haps one per cent of cus­tom­ers set this as a hard cri­terion. These are com­pan­ies that say they will not buy from a sup­pli­er that does not in­vest in sus­tain­ab­il­ity. However, for many buy­ers, sus­tain­ab­il­ity does play a role, even if it is not defined as a hard cri­terion. And the num­ber is sure to rise in both areas. It is a stra­tegic risk for the mo­ment, of course, but it will cer­tainly pay off in the long term. Re­gen­er­at­ive man­age­ment is be­com­ing part of our ex­ist­ing qual­ity prom­ise, be­cause selling solely on the basis of the cheapest price is not an op­tion for us.

The ba­sic pre­requis­ite is that I can demon­strate a pos­it­ive ef­fect and im­prove ef­fi­ciency for the cus­tom­er with my products; the rest comes on top of that. It is cer­tain that the share of ma­ter­i­al costs in the bill of ma­ter­i­als will in­crease. There­fore, it is sens­ible to ad­dress re­source costs and ef­fi­ciency as soon as pos­sible.

IEN Europe: In the four areas men­tioned, which ap­plic­a­tions does Bürkert spe­cial­ise in? Through products or ser­vices?
Georg Sta­wowy:
Ba­sic­ally, a sig­ni­fic­ant part of our busi­ness in­volves simply selling com­pon­ents, in­clud­ing in the afore­men­tioned areas. Bürkert products can be found in a wide vari­ety of ap­plic­a­tions in the phar­ma­ceut­ic­al sec­tor. However, we ex­cel in cer­tain ap­plic­a­tions, such as fer­menters in the phar­ma­ceut­ic­al and bi­otech sec­tors, as well as in the pro­duc­tion of new foods, to men­tion just two ex­amples. The same ap­plies to mi­cro­dos­ing, labor­at­ory equip­ment, in vitro dia­gnostics, and work­ing with small sample quant­it­ies. Our ex­per­i­ence en­ables us to solve prob­lems quickly. An­oth­er of our strengths when it comes to food and bever­ages is de­cent­ral­ised auto­ma­tion. This is not a com­pon­ent, of course. However, this con­trol area for mix­ing pro­cesses – a clas­sic ex­ample of which is the pro­duc­tion of fruit yoghurt with vari­ous fruit pre­par­a­tions – is also im­port­ant.

IEN Europe: What ef­fect do you think the changes that have now been ini­ti­ated will have on Bürkert's busi­ness mod­el?
Georg Sta­wowy:
Yes, it will cer­tainly change the way we work with our part­ners if you think it through to its lo­gic­al con­clu­sion. We are mov­ing away from a con­ven­tion­al busi­ness mod­el and to­wards a cir­cu­lar and re­gen­er­at­ive eco­nomy. If you go down that route, it will im­pact the busi­ness mod­el. However, it also re­quires cus­tom­ers who are in­ter­ested in de­vel­op­ing and try­ing out new mod­els. This starts with re­cyc­ling, but also ex­tends to over­haul­ing parts for pos­sible re­use. It also in­volves leas­ing or sub­scrip­tion mod­els, right through to pay-per-use. This re­quires a great deal of flex­ib­il­ity.

For ex­ample, we could build sys­tems for end cus­tom­er or­ders and co-fin­ance them through our products to en­able us to scale up more quickly. But then a way to share the suc­cess must be found. As an ex­ample: If the sys­tem is in­stalled at an end cus­tom­er's site and the man­u­fac­turer re­ceives a cer­tain amount per litre of solvent, then a clearly defined share will also go to Bürkert. These are all things that are just get­ting star­ted, but if you think re­gen­er­at­ive man­age­ment through to its lo­gic­al con­clu­sion, it's clear that com­pletely dif­fer­ent re­ward mod­els are needed.

The fi­nal top­ic is our in­ten­tion to pri­or­it­ise ser­vice. This makes sense from an eco­nom­ic per­spect­ive. However, when dis­cuss­ing field ser­vice, it is im­port­ant to cla­ri­fy what is meant by this. For in­stance, we may re­ceive an or­der from the bever­age in­dustry for plant main­ten­ance. 

This would mean car­ry­ing out main­ten­ance on our own products and those of our com­pet­it­ors. This means that I also need to know the part num­bers of the com­pet­it­or’s spare parts. The tech­ni­cian must also have these avail­able on site, such as valve parts, seals and dia­phragms. A whole net­work of in­form­a­tion and ex­pert­ise needs to be built up, in­clud­ing or­der­ing pro­cesses and item num­bers. This is no trivi­al mat­ter; it is com­par­able to the dif­fer­ence between au­thor­ised and in­de­pend­ent car gar­ages today – you need a broad­er know­ledge base. 
We have a lot of work ahead of us, but we are com­mit­ted to this path, and it will change busi­ness mod­els.

IEN Europe: Thank you very much for these in­sights. We look for­ward to fol­low­ing the de­vel­op­ments.
 

Ultrasonic Leak Detector

VPIn­stru­ments an­nounces the ad­di­tion of the VP Leak De­tect­or to its com­pre­hens­ive product port­fo­lio. This in­tu­it­ive ul­tra­son­ic in­spec­tion tool is de­signed to help main­ten­ance pro­fes­sion­als eas­ily de­tect com­pressed air, gas, and va­cu­um leaks and troubleshoot mech­an­ic­al sys­tems. 

A prac­tic­al tool for pre­vent­ive main­ten­ance  

The VP Leak De­tect­or is a prac­tic­al and cost-ef­fect­ive solu­tion ideal for both be­gin­ners in ul­tra­son­ic in­spec­tion and seasoned pro­fes­sion­als. With its user-friendly design and min­im­al train­ing re­quire­ments, the device em­powers tech­ni­cians to quickly identi­fy leaks. These leaks might oth­er­wise res­ult in wasted en­ergy, in­creased op­er­a­tion­al costs, or equip­ment fail­ure.

Ver­sat­ile ap­plic­a­tions

Key be­ne­fits and fea­tures of the VP Leak De­tect­or are the in­teg­rated LED Bar Graph Meter that provides a clear, visu­al feed­back dur­ing in­spec­tions and the 8-po­s­i­tion sens­it­iv­ity se­lect­or to al­low pro­fes­sion­als pre­cise ad­just­ment for ac­cur­ate leak de­tec­tion. The scan­ning mod­ule en­ables flex­ible use for vari­ous ap­plic­a­tions and the rub­ber fo­cus­ing probe en­sures pin­point ac­cur­acy when identi­fy­ing leaks. The device fea­tures a rugged ABS hand-held design and stain­less steel sensor en­clos­ures. It op­er­ates in the 36–44 kHz fre­quency range for fast re­sponse times and the weight of only 0.3 kg makes it ideal for en­ergy audits or routine fa­cil­ity in­spec­tions.

The VP Leak De­tect­or is a power­ful tool de­signed to sup­port a wide range of main­ten­ance and en­ergy man­age­ment tasks. Its pre­ci­sion and ease of use make it ideal for daily op­er­a­tions as well as long-term ef­fi­ciency strategies.
 

2-Stage Oil-Free Air Compressors

The new double-stage air com­pressors of the DS series from AERZEN com­press ab­so­lutely oil-free in ac­cord­ance with ISO 8573-1, class 0 and guar­an­tee out­stand­ing per­form­ance in al­most all ap­plic­a­tion areas at dif­fer­en­tial pres­sures between 5.5 and 10.5 bar. Ap­plic­a­tions in sec­tors such as the food and bever­age in­dustry, chem­ic­al and pro­cess en­gin­eer­ing as well as med­ic­al and phar­ma­ceut­ic­al tech­no­logy place the highest re­quire­ments on com­pressed air qual­ity. After all, im­pur­it­ies in the com­pressed air such as dust, mois­ture, oils or mi­croor­gan­isms have an im­pact on product qual­ity and the pro­duc­tion pro­cess. With its DS series, AERZEN now of­fers new smart and ef­fi­cient air com­pressors for oil-free com­pres­sion.

Ex­cep­tion­ally high en­ergy ef­fi­ciency 

The new double-stage screw com­pressors are avail­able in nine sizes from 55 to 315 kW and volume flows from 180 to 2,920 m3/h. They re­li­ably provide 100% oil-free pro­cess air (cer­ti­fied ac­cord­ing to ISO 8573-1 Class 0) and achieve en­ergy sav­ings of up to 12% com­pared with the best-per­form­ing com­pressor mod­els cur­rently avail­able on the mar­ket. This leap in ef­fi­ciency is achieved by in­nov­at­ive bare-shaft com­pressors with new, highly ef­fi­cient 4+6 ro­tor pro­files in the low and high-pres­sure stages and mo­tors with en­ergy ef­fi­ciency class IE4 or IE5. A vari­able fre­quency drive is in­teg­rated and guar­an­tees op­tim­um op­er­a­tion with a large turndown. The DS series is equipped with a dir­ect drive us­ing a coup­ling and gear drive for op­tim­um drive ef­fi­ciency and has stain­less steel ro­tors in both stages to pre­vent cor­ro­sion.

Max­im­um re­li­ab­il­ity and dur­ab­il­ity  

The com­pressed air pack­ages have been de­signed for max­im­al re­li­ab­il­ity and dur­ab­il­ity, and they achieve out­stand­ing per­form­ance even in ex­treme cli­mat­ic con­di­tions. An ef­fect­ive seal­ing concept for the drive shaft and con­vey­ing cham­ber min­im­ises nat­ur­al seal wear. The smart oil concept with oil cool­er, elec­tric­al oil pres­sure switch for a con­stant oil level check and a mech­an­ic­al oil pump con­trib­ute to the high level of ro­bust­ness and en­ergy ef­fi­ciency. The oil-lub­ric­ated anti-fric­tion bear­ings with pres­sure lub­ric­a­tion achieve a ser­vice life of at least 40,000 hours.

Max­im­um en­ergy ef­fi­ciency, qual­ity, dur­ab­il­ity and re­li­ab­il­ity, paired with min­im­al main­ten­ance ef­fort/costs and low noise levels - these are the new double-stage, oil-free screw com­pressors in the DS series. The pro­cess air gen­er­a­tion is of course PFAS-free, without com­prom­ising on per­form­ance and dur­ab­il­ity. Thanks to the ex­tremely com­pact design, the ma­chine foot­print is small. The smart pack­age concept even fa­cil­it­ates side-by-side in­stall­a­tion, as main­ten­ance can be car­ried out from both the op­er­at­ing and the rear sides. The en­tire pack­age can eas­ily be trans­por­ted us­ing a pal­let truck, fork­lift truck or crane.

Smart Cooling Control Cuts Consumption of Energy

As a mu­ni­cip­al util­ity with around 1,100 em­ploy­ees, Stadtwerke Karls­ruhe sup­plies more than 400,000 people with elec­tri­city, nat­ur­al gas, dis­trict heat­ing, and drink­ing wa­ter – in­clud­ing the GartenCarée site in Karls­ruhe, whose cool­ing sys­tem is op­er­ated by the util­ity. In ad­di­tion to res­id­en­tial units and of­fice spaces, the build­ing com­plex also houses a data cen­ter, med­ic­al prac­tices, re­tail shops and res­taur­ants. The GartenCarée cool­ing sys­tem con­sists of three ab­sorp­tion chillers powered by en­vir­on­ment­ally friendly dis­trict heat­ing such as pro­cess waste heat from a nearby re­finery, as well as a mech­an­ic­al com­pres­sion chiller with two com­pressors and a cool­ing tower. "When it came to the en­ergy con­sump­tion of our sys­tem, we were more or less fly­ing blind," re­calls Jürgen Weiß, Head of Con­struc­tion Man­age­ment and Tech­no­logy at Stadtwerke Karls­ruhe, de­scrib­ing the situ­ation be­fore the solu­tion was im­ple­men­ted. "At the end of the year, all we could see was how many mega­watt-hours of cool­ing we had pro­duced and how much elec­tri­city and dis­trict heat­ing we had used to achieve it – noth­ing more, noth­ing less."

Project Goal: Great­er Trans­par­ency and Ef­fi­ciency in Re­fri­ger­a­tion

That was about to change. Stadtwerke Karls­ruhe set out to identi­fy and real­ize po­ten­tial en­ergy sav­ings. “To that end, we im­ple­men­ted an auto­mated en­ergy sys­tem man­age­ment solu­tion to­geth­er with the pro­vider, which en­ables bet­ter con­trol of the in­di­vidu­al com­pon­ents and provides de­tailed mon­it­or­ing and ana­lys­is,” ex­plains Weiß. “As a res­ult, all en­ergy flows are now vis­ible in de­tail, and op­tim­iz­a­tions can be im­ple­men­ted and ana­lyzed dir­ectly. The trans­par­ency we’ve gained is a ma­jor ad­vant­age.” The sys­tem meas­ures and ana­lyzes para­met­ers such as the flow rate of chilled and cool­ing wa­ter, or­ches­trates them to max­im­ize sys­tem ef­fi­ciency and de­term­ines wheth­er it is more eco­nom­ic­al to op­er­ate the chillers or use free cool­ing de­pend­ing on the out­door tem­per­at­ure. One ex­ample: pumps run­ning con­stantly at 100 per­cent flow, even when 60 per­cent – or less – would be suf­fi­cient de­pend­ing on con­di­tions, present sig­ni­fic­ant po­ten­tial for im­proved ef­fi­ciency and en­ergy sav­ings.

A com­mon chal­lenge in re­fri­ger­a­tion sys­tems is that pumps and cool­ing towers of­ten con­sume as much elec­tri­city as the chillers them­selves—without this be­ing de­tec­ted. Moreover, en­ergy op­tim­iz­a­tion typ­ic­ally oc­curs only at the com­pon­ent level and is of­ten based on a single op­er­at­ing con­di­tion defined dur­ing sys­tem plan­ning. However, this con­di­tion ac­counts for less than three per­cent of total op­er­at­ing hours. The res­ult is un­ne­ces­sary elec­tri­city con­sump­tion dur­ing a large por­tion of sys­tem runtime. Achiev­ing ef­fi­ciency gains through im­proved in­ter­ac­tion between com­pon­ents is the spe­cialty of Factor4Solutions.

After Six Months: 20 Per­cent Less an­nu­al Elec­tri­city Con­sump­tion and Five-Fig­ure Cost Sav­ings

The in­tel­li­gent soft­ware from Factor4Solutions ana­lyzes the op­er­a­tion of all com­pon­ents rel­ev­ant to the cool­ing sys­tem as a whole – in­clud­ing all com­pon­ents’ en­ergy con­sump­tion. To do this, the solu­tion uses di­git­al twins of both the in­di­vidu­al com­pon­ents and the en­tire cool­ing sys­tem, al­low­ing it to cal­cu­late in real time, or on de­mand, how each com­pon­ent must be­have to sup­port the as­sembly of com­pon­ents and to max­im­ize over­all sys­tem ef­fi­ciency.

As a res­ult, chillers and aux­il­i­ary equip­ment are no longer con­trolled in a fixed se­quence based on base and peak load lo­gic. In­stead, they are op­er­ated dy­nam­ic­ally and ef­fi­ciency-based, de­pend­ing on weath­er con­di­tions and re­quired cool­ing out­put, via stand­ard­ized sys­tem man­age­ment pro­to­cols. This en­sures the sys­tem runs at max­im­um ef­fi­ciency un­der all load con­di­tions.

The Stadtwerke Karls­ruhe team was able to con­firm the sys­tem’s ef­fect­ive­ness right after the test phase ended. “In just those six months alone, we re­duced an­nu­al elec­tri­city con­sump­tion for cool­ing by more than 20 per­cent, which trans­lates to fin­an­cial sav­ings in the five-di­git range,” says Weiß with sat­is­fac­tion. And that’s likely just the be­gin­ning. Over the course of a full year, there is still sig­ni­fic­ant op­tim­iz­a­tion po­ten­tial - es­pe­cially since the ef­fi­ciency of the colling sys­tem’s vari­ous com­pon­ents in­ter­act dif­fer­ently de­pend­ing on sea­son­al tem­per­at­ure changes and cool­ing de­mand.

Weiß is con­fid­ent: “The oth­er six months, the sys­tem was still run­ning un­der our con­ven­tion­al con­trol lo­gic. That means we can save sig­ni­fic­antly more en­ergy. Ac­cord­ing to cal­cu­la­tions from Factor4Solutions, we’re look­ing at sav­ings of over 40 per­cent. And that’s ex­actly what we’re aim­ing for.”

100 Per­cent Op­er­a­tion­al Re­li­ab­il­ity

An­oth­er ma­jor be­ne­fit for Stadtwerke Karls­ruhe is the fact that the sys­tem – both hard­ware and soft­ware – con­tin­ues to be mon­itored, main­tained, and op­tim­ized by the pro­vider after in­stall­a­tion. Weiß com­ments: “Of course, we mon­it­or the sys­tem ourselves, but hav­ing the ex­pert team at Factor4Solutions op­er­ate it via AI-sup­por­ted re­mote ac­cess is a huge ad­vant­age for us. Their in-depth ex­pert­ise in re­fri­ger­a­tion tech­no­logy en­sures that we’re im­me­di­ately in­formed if any­thing isn’t work­ing as it should.”

Thanks to the use of di­git­al twins and real-time data com­par­is­on, Factor4Solutions can even no­ti­fy its cus­tom­ers in ad­vance of an­om­alies and po­ten­tial fail­ures, al­low­ing these to be pre­ven­ted pro­act­ively through pre­dict­ive main­ten­ance.

“Guar­an­teed op­er­a­tion­al re­li­ab­il­ity at all times is ab­so­lutely crit­ic­al for us be­cause we’re ob­lig­ated to sup­ply cool­ing,” ex­plains Weiß. “At GartenCarée, we’re not just provid­ing cool­ing for of­fices and apart­ments—but also for a data cen­ter, among oth­ers.”

When asked about the im­ple­ment­a­tion phase, Weiß notes: “Everything went smoothly. In col­lab­or­a­tion with the ser­vice pro­vider re­spons­ible for our meas­ure­ment and con­trol sys­tems, we provided the ne­ces­sary data points that the vendor re­quired to set up the solu­tion. Factor4Solutions, who man­age the sys­tem re­motely from Ber­lin, had already told us in ad­vance which data points were needed – such as flow rates, tem­per­at­ures, and en­ergy meters for heat­ing and cool­ing.” Once that was done, things moved quickly: the soft­ware was con­figured with­in a single day, and the first ana­lys­is was avail­able with­in four to six weeks. Based on that ini­tial data, it be­came clear which ad­di­tion­al data points would be help­ful, and the sys­tem was fine-tuned ac­cord­ingly. This simple, stream­lined in­stall­a­tion pro­cess makes the solu­tion at­tract­ive across in­dus­tries – any­where cool­ing sys­tems are used.

Rap­id Pay­back Sup­ports Ex­pan­sion of the Part­ner­ship

It be­came clear right after the test phase: “All I had to do was com­pare the an­nu­al en­ergy con­sump­tion and cool­ing out­put to the pre­vi­ous year to see the sig­ni­fic­ant in­crease in ef­fi­ciency and the en­ergy sav­ings,” says Weiß. The team lead­er is also very sat­is­fied with the sys­tem’s re­turn on in­vest­ment: “The an­nu­al cost of work­ing with the re­fri­ger­a­tion spe­cial­ists is already off­set by the en­ergy sav­ings with­in the first five months of each year.”

It’s no sur­prise, then, that Stadtwerke Karls­ruhe is con­sid­er­ing ex­pand­ing the part­ner­ship. “We’re already hav­ing a second sys­tem man­aged by Factor4Solutions,” says Weiß. “And we op­er­ate sev­er­al oth­er cool­ing sys­tems that could also be suit­able can­did­ates.”

Since the solu­tion can be in­teg­rated in­to al­most any sys­tem, there’s a strong like­li­hood that the AI-based ap­proach will also de­liv­er valu­able in­sights and sav­ings in those cases.
 

Sliding Gate Valves Help to Reduce Operating Costs and CO₂ Emissions

"At the start we al­ways have to do some con­vin­cing", says Sel­cuk Aslan, En­er­gi­fy Project Man­ager at CFT. "Our sys­tem is highly de­veloped, but the idea and the ba­sic design are ac­tu­ally very simple. For that reas­on people are some­times scep­tic­al. However, once they have seen and un­der­stood En­er­gi­fy, they are quickly con­vinced by the ro­bust­ness and re­li­ab­il­ity of the tech­no­logy – and that 'simple' is there­fore also a great ad­vant­age."

With En­er­gi­fy, CFT of­fers a solu­tion to chal­lenges that al­most all in­dus­tri­al com­pan­ies are fa­cing: the re­duc­tion of CO₂ emis­sions and the im­prove­ment of en­ergy- and cost-ef­fi­ciency. The in­nov­at­ive sys­tem util­ises even slight pres­sure dif­fer­ences to gen­er­ate power and feed it in­to the fact­ory's own grid. Such pres­sure dif­fer­ences ex­ist in al­most all in­dus­tri­al plants. They oc­cur in pres­sure re­duc­tion sta­tions and ex­haust steam pipes as well as in con­dens­a­tion and back pres­sure sys­tems – and in most cases the en­ergy stored in the flu­ids goes to waste.

Op­tim­al util­isa­tion of the already used en­ergy

"En­er­gi­fy op­tim­ises the use of the already ex­ist­ing en­ergy", ex­plains Max­imili­an Igelbüscher, project en­gin­eer at CFT. "In or­der to guar­an­tee an un­in­ter­rup­ted pro­cess, our sys­tem is al­ways op­er­ated in the by­pass. The ba­sic design is as fol­lows: Steam, or a gas of any kind, is ex­pan­ded to a low pres­sure level in a rotary pis­ton ex­pander. This gen­er­ates mech­an­ic­al en­ergy. This en­ergy is trans­mit­ted via a shaft to an asyn­chron­ous gen­er­at­or, which then in­puts the elec­tri­city in­to the low voltage grid."

Ini­tially, it was dif­fi­cult to pre­cisely con­trol the ex­pander per­form­ance. The globe con­trol valve ori­gin­ally used re­acted too slowly to chan­ging pro­cess re­quire­ments and could not re­li­ably provide the gaseous me­di­um with the de­sired out­put pres­sure. "We spent a lot of time look­ing for a solu­tion to op­tim­ise our sys­tem in this re­spect. Ul­ti­mately, we made con­tact with Mar­cel Mokosch from Tech­nic­al Sales at Schubert & Salzer. He vis­ited us im­me­di­ately to dis­cuss the top­ic and pro­posed a solu­tion with the slid­ing gate valve, which not only met our ex­pect­a­tions, but even ex­ceeded them", says Igelbüscher.

Sig­ni­fic­ant im­prove­ment through the use of the slid­ing gate valve

The reas­on for the ex­cel­lent con­trol per­form­ance is the fun­da­ment­al design prin­ciple of Schubert & Salzer’s slid­ing gate valve, which is based on two seal­ing discs that slide over each oth­er. As a res­ult, the max­im­um stroke between open and closed is a mere 6-9 mm and only very low ac­tu­ation forces are re­quired. This makes con­trol ex­tremely pre­cise and agile. "The con­trol ac­cur­acy has im­proved con­sid­er­ably through the use of the slid­ing gate valve. We can now con­trol the out­put pres­sure with ab­so­lute pre­ci­sion", says Aslan.

A fur­ther ad­vant­age: The use of the slid­ing gate valve al­lowed two oth­er valves to be re­placed. For reas­ons of safety, it must be pos­sible to stop the sup­ply of steam or gas with­in a max­im­um of two seconds. For that reas­on a quick-clos­ing valve was pre­vi­ously in­stalled up­stream of the con­trol valve. However, slid­ing gate valves close with­in mil­li­seconds and also per­form this func­tion. "Re­li­ab­il­ity and low main­ten­ance costs play a de­cis­ive role in the cost-ef­fect­ive op­er­a­tion of a sys­tem like En­er­gi­fy. That's why we rely on a simple design and a ro­bust con­struc­tion", ex­plains Aslan. "The slid­ing gate valve helps us by re­du­cing the com­plex­ity of the sys­tem – and with a very com­pact design, too."

The dif­fer­ence to the pre­vi­ous tech­no­logy is clear: the DN80 Schubert & Salzer slid­ing gate valve now used weighs a mere 15 kg, where­as the two globe valves pre­vi­ously used weighed to­geth­er around 170 kg. "That's an enorm­ous ad­vant­age, es­pe­cially for the an­nu­ally ne­ces­sary main­ten­ance work", Igelbüscher adds.

More eco­nom­ic­al than photo­vol­ta­ics

The En­er­gi­fy demon­stra­tion sys­tem is loc­ated in a dairy in Münsterland, where it is used on the 8-bar steam mains. The cost-ef­fect­ive­ness of the sys­tem can be il­lus­trated well here: With an in­put pres­sure of 8 bar (g), an out­put pres­sure of 5 bar (g) and a steam quant­ity of 2 t/h on av­er­age, an elec­tric­al out­put of 27 kW is achieved. With an an­nu­al run­ning time of 6,500 hours, that would pro­duce 175 MWh of power per year. The amort­isa­tion time is less than three years un­der these con­di­tions. In­clud­ing main­ten­ance costs, over 270,000 Euros could be saved over an op­er­at­ing peri­od of ten years. 

CFT com­pares En­er­gi­fy with photo­vol­ta­ics in a fur­ther cal­cu­la­tion ex­ample: An En­er­gi­fy sys­tem with an out­put of 300 kW that achieves 8,500 op­er­at­ing hours per year would ac­cord­ingly gen­er­ate around 2,550 MWh an­nu­ally – on an area of just 40 m². In or­der to gen­er­ate the same amount of en­ergy with photo­vol­ta­ics, with an an­nu­al util­isa­tion time of about 1,000 hours (av­er­age in Ger­many), an area of around 13,500 m² would be ne­ces­sary.

"The tech­no­logy has enorm­ous po­ten­tial. Thou­sands of steam gen­er­at­ors are in use in Ger­many alone. And steam – in whatever form – is only one of the me­dia from which we can pro­duce en­ergy. In prin­ciple, En­er­gi­fy can be used with vir­tu­ally every gas, for in­stance ni­tro­gen, coke oven gas, nat­ur­al gas or hy­dro­gen", Sel­cuk Aslan con­cludes.

TIMGlobal Media BV

177 Chaussée de La Hulpe, Bte 20, 1170 Brussels, Belgium
o.erenberk@tim-europe.com - www.ien.eu

Editorial staff:

Advertising Sales

Europe
Austria/Switzerland
Monika Ailinger
Tel: +41 41 850 44 24
m.ailinger@marcomedia.ch
Benelux, Norway, Sweden, Denmark, Finland
Nadia Liefsoens
Tel: +32-(0)11-224397
Fax: +32-(0)11-224397
n.liefsoens@tim-europe.com
France
Raphaël Erenberk
Tel: +32 (0) 2 318 67 37
r.erenberk@tim-europe.com
Germany
Simone Ciolek
Tel: +49-(0)9771-1779007
s.ciolek@tim-europe.com
Italy, Slovenia
Andrea Rancati
Tel: +39-02-7030 0088
arancati@rancatinet.it



Turkey
Onur Dil
Tel: +90 (0) 212 366 02 76
o.dil@tim-europe.com
UNITED KINGDOM
Aodhan Dunican
Tel: +44 (0)7594 239 182
a.dunican@tim-europe.com
NORTH AMERICA
Hamilton-Murphy Global, LLC
John Murphy
Tel: +1 616 682 4790
Fax: +1 616 682 4791
john@hamiltonmurphymedia.com
JAPAN
Ichiro Suzuki
Incom Co. Ltd
Tel: +81-(0)3-3260-7871
Fax: +81-(0)3-3260-7833
isuzuki@INCOM.co.jp
Other countries
Cristian Son
Tel: +39(0)2-7030631
c.son@tim-europe.com
    Sorry, we could not find any results which match your search.

    Please log in to access all content and functionalities:


    Don't have an account yet ?
    Create one for free

    Forgot your password ?
    Get it back here